HF-Verstärkung

Worum geht es?

Mit Hilfe der Schwingkreisentdämpfung kann zwar eine deutliche Empfangsverbesserung erzielt werden, doch bei sehr schwachen Eingangssignalen stößt das Verfahren an seine Grenzen. Hier hilft die HF-Verstärkung weiter.

Auch diesmal wird nur diese eine Funktion untersucht. Die Demodulation wird einer Diode überlassen, so dass im Prinzip ein Detektorempfänger vorliegt. Außerdem wird auf eine Schwingkreisentdämpfung verzichtet. Die kann anschließend bei Bedarf hinzugefügt werden.

Die Grundschaltung

Erneut sind es nur kleine Änderungen, die diese Schaltung von den vorher untersuchten Schaltungen abheben:

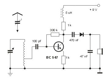
Im Kollektorkreis liegt in Reihe zu einem Schutzwiderstand eine HF-Drossel von einigen uH. Die Demodulation erfolgt mit der Diode am Ausgang der Verstärkerstufe.

Als Arbeitswiderstand im Kollektorzweig dient nun vor allem eine HF-Drossel. An ihr fällt die HF-Spannung verstärkt an, während die NF-Bestandteile dadurch noch nicht so stark in Erscheinung treten. Die Demodulation erfolgt ja anschließend. Infolgedessen darf am Kollektor die Hochfrequenz noch nicht kurzgeschlossen werden; wohl aber muss dies unbedingt direkt hinter der Diode geschehen, vor allem wenn anstelle des Kopfhörers ein NF-Verstärker angeschlossen wird.

Der Verstärker arbeitet sehr wirkungsvoll; schon bei mittelstark einfallenden Sendern kann die Stufe übersteuert werden. Deshalb ist eine zweifache Gegenkopplung vorgesehen, einmal in Form des Kollektor-Basis-Widerstandes, zum anderen durch den Widerstand im Emitterzweig, der nicht mit einem Kondensator überbrückt wird. Probehalber kann man ja mal einen kleinen Kondensator von etwa 1 nF parallel schalten. Beide Widerstände können in weiten Grenzen verändert werden.

Es stellt sich die Frage, ob der Audioneffekt bei dieser Schaltung ebenfalls auftritt. Durch Überbrückung der Diode lässt sich das schnell feststellen. In der Regel wird man nichts hören oder allenfalls nur einen leisen, womöglich verzerrten Ton. Das heißt, der Audioneffekt ist noch vorhanden, aber weitgehend unterdrückt. Dazu tragen die Drossel und der für einen Audionempfang ungünstige Arbeitspunkt bei.

Weitere Möglichkeiten

Infolge der beachtlichen Verstärkung kann im Gegensatz zur Schwingkreisentdämpfung über eine niedrige Anzapfung der Schwingkreisspule angekoppelt werden, was natürlich der Trennschärfe zugute kommt.

Grundsätzlich kommen auch die anderen, beim Audion beschriebenen Kopplungsvarianten in Frage. Besonders die Verwendung einer Koppelspule mit sehr wenig Windungen kann vorteilhaft sein. Ich will an dieser Stelle aber nicht die Schaltungsvarianten erneut vorstellen. Mit etwas Überlegung lässt sich die Schaltung problemlos umbauen.

Auch eine Rückkopplung lässt sich mit einer der bisher gezeigten Schaltungsvarianten bewerkstelligen. Doch sollte eines beachtet werden: Wenn die Rückkopplung am Kollektor abgenommen wird, muss das Signal höchstwahrscheinlich stark heruntergeteilt werden, weil die Rückkopplung sonst zu heftig ausfällt und nicht beherrschbar ist. Eine gute Alternative ist die zusätzliche Schwingkreisentdämpfung mit Hilfe zweiter pnp-Transistoren.

zurück