Audionempfänger

Worum geht es?

Bei Transistor-Audionempfängern hat der Transistor eine Doppelfunktion: er verstärkt und demoduliert gleichzeitig. Dieser Audioneffekt kommt durch die nichtlineare Eingangskennlinie zustande; infolge der Krümmung wirken sich die positiven und negativen Halbwellen verschieden stark aus. Die Unterschiede werden verstärkt und treten am Kollektor als NF-Signal auf.

Um den Audioneffekt zu erzielen, müssen keine besonderen Schaltungsmaßnahmen getroffen werden. Bei günstiger Arbeitspunkteinstellung kann eine ganz normale Verstärkerstufe als Audion wirken. Dabei kommt es darauf an, den Audioneffekt möglichst optimal zu nutzen, was vor allem durch einen günstigen Arbeitspunkt erreicht wird.

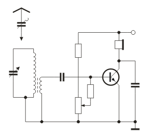
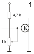
Die Grundschaltung

Audion - eine ganz normale Verstärkerschaltung. Sie könnte ohne irgendeine Änderung auch zur Verstärkung von NF-Signalen benutzt werden.

Es sind einige Feinheiten, die die Ausnutzung des Audioneffektes begünstigen. Weil der Arbeitspunkt so wichtig ist, sollte er in einer Experimentierschaltung immer mit Hilfe eines Potis einstellbar gemacht werden. Ein weiteres Detail ist der Kondensator zwischen Kollektor und Masse, der die HF-Anteile kurzschließt. Ohne den Kondensator würden sich schnell Störungen in Form von unerwünschten Rückkopplungen oder Pendelschwingungen einstellen (ausprobieren).

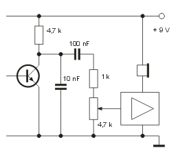
Die Schaltung liefert bereits mit kürzeren Antennen einen relativ lautstarken Empfang bei allerdings mäßiger Trennschärfe. Der Ortssender lässt sich meistens einigermaßen sauber herausfiltern. Sollte der Empfang zu leise sein, kann die an anderer Stelle beschriebene NF-Stufe angeschlossen werden.

Mit dem Verstärker ist bei guten Empfangsbedingungen (z.B. nachts) bereits ein Empfang mit der Ferritantenne möglich.

Wichtig für optimalen Empfang ist eine sorgfältige Bedienung, vor allem des Potentiometers zur Arbeitspunkteinstellung. Am besten wird das Poti langsam heraufgedreht, bis irgendetwas zu hören ist. Nach Einstellung eines Senders wird der Arbeitspunkt nachgeregelt. Die Antenne kann nach meiner Beobachtung ruhig fester angekoppelt werden, u.U. sogar am oberen Ende des Schwingkreises. Aber das liegt nicht zuletzt an der Art der Antenne.

Arbeitspunkteinstellung

Da der Arbeitspunkt beim Transistoraudion eine wichtige Rolle spielt, kann es lohnenswert sein, verschiedene Schaltungsvarianten zur Arbeitspunkteinstellung zu erproben.

1. Anlegen einer Spannung über einen relativ niederohmigen Spannungsteiler. Wegen des engen Arbeitsbereiches der Basis-Emitter-Spannung (um 0,6 V herum) ist eine feinfühlige Einstellung nicht möglich. Andererseits wird die Basis-Emitter-Kapazität des Kondensators dadurch gedämpft.

2. Einspeisung eines Basisstroms über einen hochohmigen Widerstand. Das Verfahren ist wegen des nichtlinearen, niederohmigen Basiseingangs einfacher zu handhaben und erlaubt eine feinfühlige Einstellung.

3. Dieses Verfahren wird in der Grundschaltung (siehe oben) angewandt: Die Einstellung erfolgt mit einem Spannungsteiler, doch über den relativ großen Widerstand zwischen Potentiometer und Basis wird ein Ruhestrom eingespeist. Auch hierbei kann der Arbeitspunkt feinfühlig eingestellt werden.

4. Eine Leuchtdiode als Betriebsanzeige und zur Erzeugung einer kleinen Spannung für die Arbeitspunkteinstellung. An der Diode fällt eine Spannung von etwa 1,5 V ab. Die Diode sorgt für eine gewisse Stabilisierung und damit Entkopplung von der Betriebsspannung. Parallel zur Diode kann ein Kondensator geschaltet werden.

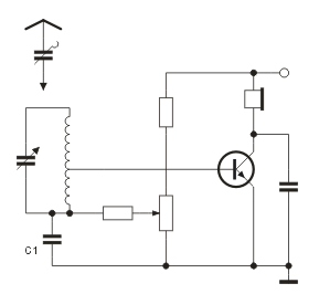
Ankopplung an den Schwingkreis

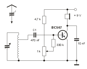
Einen wesentlichen Einfluss auf die Funktion der Schaltung hat der Koppelkondensator C1, der in weiten Grenzen verändert werden kann. In der Schaltung oben wurde er mit 470 nF relativ groß gewählt, wodurch der Audioneffekt verstärkt wird. Am Kollektor fällt einere größere NF-Amplitude an. Will man die NF-Anteile von der Basis fernhalten, etwa um eine saubere Rückkopplung zu ermöglichen, muss man den Kondensator wesentlich kleiner wählen. Typischer Wert: 100 pF. Viel kleiner sollte er nicht sein, weil dann aufgrund der Basis-Emitter-Kapazität die HF-Spannung heruntergeteilt wird. [1]

Weitere Schaltungsvarianten zur Ankopplung:

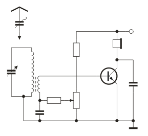
Ankopplung mit Hilfe einer Koppelspule. Diese Schaltungsvariante ist vergleichbar mit der Grundschaltung, nur dass hier keine Anzapfung der Schwingkreisspule, sondern eine separate Koppelspule verwendet wird. Versuche damit lohnen sich nur dann, wenn die Kopplung variabel ist (Zylinderspule, Flachspulen).

In dieser Schaltung wird die Koppelspule direkt an die Basis gelegt. Die Verluste durch den Koppelkondensator entfallen dadurch. Besonders bei schwachen Kopplungen (mit wenig Windungen) kann diese Variante Vorteile bringen.

Der Ruhestrom wird durch die Koppelspule eingespeist.

Die direkte Kopplung ist auch mit einer Anzapfung der Schwingkreisspule möglich. Hierdurch wird jedoch das Potential des Schwingkreises angehoben; die Masseverhältnisse sind nicht mehr ganz eindeutig.

Störungen

Die Schaltung ist, wie die meisten HF-Schaltungen, anfällig für Störungen in Form von unerwünschten Schwingungen. Die Schwingungen entstehen durch Verkopplungen, z.B. infolge eines ungünstigen Versuchsaufbaus mit langen Leitungen. Aber auch die unvermeidlichen Kapazitäten des Transistors tragen zur Schwinganfälligkeit bei.

Bei der vorliegenden Schaltung entstehen in bestimmten Situationen vor allem Pendelschwingungen, die sich als lautes, unangenehmes Knattern, Knurren oder Heulen bemerkbar machen. Die Entstehung der Pendelschwingungen wird durch die angeschlossene Verstärkerstufe begünstigt, insbesondere, wenn der Lautstärkeregler bei hoch eingestelltem Arbeitspunkt der Audionstufe voll aufgedreht wird. Offenbar gelangt noch genügend HF in die NF-Verstärkerstufe, um die unangenehme Rückkopplung zu bewirken. Für Abhilfe sorgt ein Kondensator, der entweder parallel zum Kopfhörer gelegt wird oder - wie bei der Audionstufe - an Kollektor und Masse angeschlossen wird. 1 nF dürfte meistens reichen.

Wenn anstelle des Kopfhörerverstärkers eine Leistungsendstufe für Lautsprecherempfang eingesetzt wird, sollten auf jeden Fall die Stufen durch ein Siebglied in der Versorgungsleitung entkoppelt werden. Das Siebglied besteht aus einem Widerstand von einigen hundert Ohm, beidseitig davon ein Kondensator nach Masse.

Diese an und für sich unerwünschten Schwingungen haben aber noch einen interessanten, positiven Nebeneffekt. Dreht man beim Auftregen des Knatterns z.B. den Arbeitspunktregler oder den Lautstärkeregler so weit zurück, dass die Schwingungen gerade abbrechen, dann stellt man eine erstaunliche Trennschärfe bei gleichzeitig großer Lautstärke fest. Das sind typische Merkmale einer "echten" (= gewollten) Rückkopplung, nur dass es keine Möglichkeit gibt, diesen Effekt einigermaßen sauber zu steuern.


[1] Der Lautstärkegewinn durch einen großen Koppelkondensator ist beträchtlich. Warum das so ist, vermag ich bis jetzt nicht zu erklären. In der Literatur habe ich dazu nur einige vage Hinweise gefunden, die aber eher Verwirrung stiften als den Sachverhalt verdeutlichen. So fand ich z.B. irgendwo den Hinweis, dass durch einen großen Kondensator die NF an der Basis kurzgeschlossen werde. Das deutet aber doch eher auf einen Lautstärkeverlust, also das Gegenteil der Beobachtungen hin. Wenn Sie, lieber Leser, eine verständliche Erklärung dazu haben, werde ich sie hier gerne wiedergeben.

zurück