NF-Verstärkerstufe
Worum geht es?
Beim Detektorempfang ist die Lautstärke im Kopfhörer meistens so gering, dass schwächere Sender nicht gehört werden, obwohl sie am Schwingkreis auftreten. Vor allem die Empfangsqualität ist nur schwer zu beurteilen, weil auch Störendes nicht wahrgenommen wird. Schließlich kann das längere Hinhören bei leiser Wiedergabe ziemlich anstrengend sein. Abhilfe schafft ein kleiner NF-Nachverstärker. Wohlgemerkt, ein solcher Verstärker sorgt zwar für mehr Lautstärke, verbessert aber nicht die Empfangseigenschaften.
Es soll aber noch auf einen weiteren Vorteil hingewiesen. Die Verstärkerstufe erlaubt die Verwendung mittelohmiger Kopfhörer ab etwa 200 Ohm. Wenn also kein hochohmiger Hörer zur Verfügung steht, bietet der Verstärker einen Ausweg.
Einfache Schaltungen
Hier nun einige Schaltungsvarianten, die für den genannten Zweck in Frage kommen:

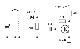
Diese einfache Schaltung trifft man in der Literatur immer wieder an. Sie ist schnell aufgebaut und somit gut geeignet, den Detektorempfänger ohne großen Aufwand zu erweitern. Der Diodenkreis wird mit einem Widerstand geschlossen. Der Transistor ist mit 47 k stark genug gegengekoppelt, um eine einigermaßen verzerrungsfreie Wiedergabe zu gewährleisten. Anstelle des Transistors BC547 können auch andere Typen eingesetzt werden.
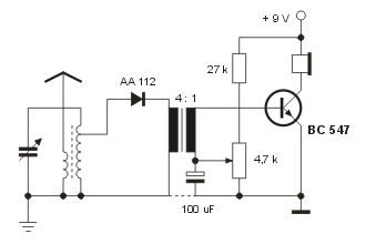
Der niederohmige Basiskreis ist nicht gut an den Schwingkreis angepasst. Eine bessere Anpassung erreicht man mit einem NF-Zwischenübertrager. Wenn ein solcher mit einem Windungsverhältnis von etwa 4 : 1 zur Verfügung steht, könnte die folgende Schaltung interessant sein:
Da der Transistor nicht gegengekoppelt ist, empfiehlt es sich, die Arbeitspunkteinstellung mit Hilfe eines Potentiometers vorzunehmen. Der Ruhestrom wird über die Sekundärwicklung des Übertragers eingespeist, der Kondensator legt einen Pol des Übertragers wechselspannungsmäßig an Masse.
Wie die folgende Schaltungsvariante zeigt, ist es auch möglich, die Sekundärseite des Übertragers direkt an Masse zu liegen. Dann muss allerdings zur Entkopplung ein Kondensator zwischengeschaltet werden, damit der Übertrager die Basis nicht gleichspannungsmäßig kurzschließt. Der Koppelkondensator darf nicht zu klein sei, am besten nimmt man einen Elko von einigen uF.
Um die Arbeitspunkteinstellung weicher zu gestalten, kann man zwischen dem Schleifer des Potentiometers und der Basis des Transistors einen Widerstand einen Widerstand von einigen 10 kOhm schalten. Das gilt auch für die Schaltung davor.
Universell verwendbarer Verstärkerbaustein
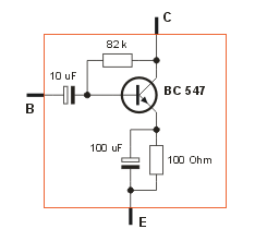
Da der kleine Verstärker sehr häufig eingesetzt wird, empfiehlt sich der Bau eines kleinen Bausteins, der auf die Steckplatine gesteckt werden kann.
Die
Verstärkerstufe weist nichts Besonderes auf. Sie hat einen offenen
Kollektor zum Anschluss eines Kopfhörers. Das Ganze kann man als
einen Transistor ansehen, der keine weitere Beschaltung mehr
benötigt. In Anlehnung daran wurden die drei Steckanschlüsse
mit E, B und C bezeichnet.
Entsprechend einfach lässt sich der Verstärker in eine
Schaltung einfügen. Die Abbildung zeigt eine Möglichkeit mit
Lautstärkepoti. Beim Anschluss an den Schwingkreis entfällt
der Eingangkondensator, und das Poti (oder ein Widerstand in der
Größenordnung von 4,7 ... 10 k) bildet den Lastwiderstand.
Beim Anschluss an den Kollektor einer Vorstufe muss natürlich
unbedingt ein Kondensator am Eingang liegen.
Auf
einem Stück Streifenrasterplatine lässt sich die Schaltung
bequem zusammenlöten. Der Baustein ist immer schnell zur Hand.