Rückkopplung - mehr Trennschärfe und Lautstärke

Worum geht es?

Eine einfache Audionstufe liefert bereits eine beachtliche Lautstärke, lässt aber bezüglich der Trennschärfe erheblich zu wünschen übrig. Besonders im kurzwelligeren Teil des MW-Frequenzbandes sind die Sender kaum voneinander zu trennen. Die Ursache ist im Schwingkreis mit seiner begrenzten Güte zu suchen. Außerdem wird er zusätzlich durch die Antenne und den nachgeschalteten Transistor gedämpft.

Eine gute Möglichkeit, dieses Manko zu beheben oder wenigstens zu begrenzen, bietet die Rückkopplung. Dabei wird ein Teil der verstärkten Hochfrequenz phasengleich in den Schwingkreis zurückgeleitet, so dass die Energieverluste ausgeglichen werden. Die Folge ist eine um ein Vielfaches erhöhte Güte (= bessere Trennschärfe und größere Lautstärke).

Im Prinzip wird die Audionstufe zu einem Oszillator ausgebaut, wobei der Schwingkreis frequenzbestimmend ist. Damit ergibt sich automatisch, dass die Oszillatorfrequenz mit der Frequenz des eingestellten Senders übereinstimmt. Die Rückkopplung darf jedoch nicht so stark sein, dass die Audionstufe selbständig schwingt; sie soll dem Schwingkreis ja nur unter die Arme greifen. Deshalb muss der Grad der Rückkopplung auf jeden Fall einstellbar sein.

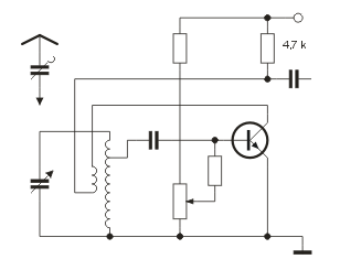
Die Grundschaltung

Die Schaltung basiert auf der bereits vorgestellten Standard-Audionschaltung. Es werden lediglich einige Veränderungen bzw. Erweiterungen vorgenommen:

Im Schaltbild ist der Anschluss eines NF-Verstärkers vorgesehen. Ebenso lässt sich ein Kopfhörer direkt anschließen, der dann an die Stelle des Kollektorwiderstandes tritt.

Bei einer rückgekoppelten Audionstufe sollte der Koppelkondensator möglichst klein sein (hier 100 pF). Ein wesentlich größerer Kondensator würde die Neigung zu Pendelschwingen erhöhen und die Einstellung der Rückkopplung erschweren. Die durch den kleinen Kondensator bedingte geringere Lautstärke kann durch die Rückkopplung leicht ausgeglichen werden.

Vom Kollektor führt die Rückkopplungsleitung über einen Drehkondensator zu einer Rückkopplungsspule, die hier induktiv an die Schwingkreisspule gekoppelt wird. Wichtig ist, dass die Koppelspule richtig gepolt wird. Bei falschem Anschluss würde sich der gegenteilige Effekt ergeben (Gegenkopplung), und der Schwingkreis würde noch stärker gedämpft als vorher (ausprobieren). Da an Basis und Kollektor gegenphasige Signale anliegen, muss die Koppelspule anders herum gewickelt sein als die Schwingkreisspule.

Der Drehkondensator erlaubt das Einstellen des Rückkopplungsgrades. Da der kapazitive Widerstand frequenzabhängig ist, muss nach einer Verstellung des Schwingkreises die Rückkopplung nachgezogen werden. Bei zu stark angezogener Rückkopplung kommt es, wie schon erwähnt, zu Eigenschwingungen, die sich als Zwitschern bemerkbar machchen. Es entstehen dann hörbare Differenzfrequenzen zwischen der eingestellten Resonanzfrequenz und der einfallenden Senderfrequenz. Deshalb ist das Zwitschern immer ein Zeichen dafür, dass ein Sender "in der Nähe" liegt.

Bei einer verstellbaren Koppelspule (Flachspule, Zylinderspule) kann der Rückkopplungsgrad auch über den räumlichen Abstand eingestellt werden. Ob der Drehkondensator dadurch entfallen kann, hängt von der Windungszahl und der mechanischen Anordnung der Spulen ab.

Schließlich noch ein Blick auf den Kollektor. Damit die nachfolgende Verstärkerstufe nicht die Hochfrequenz kurzschließt, wird das Signal über einen Trennwiderstand von einigen kOhm an den Verstärker weitergeleitet. Zumindest ein Teil der Hochfrequenz muss erhalten bleiben. Dabei stört der Siebkondensator zwischen Kollektor und Masse. Er kann versuchsweise ganz entfallen, oder er wird durch einen kleineren Kondensator ersetzt. Alternativ kann er auch hinter dem Trennwiderstand angeschlossen werden.

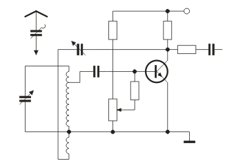
Spulenverlängerung

Die im Zusammenhang mit dem Radio-Schaltpult 3 beschriebenen Universalspulen bestehen aus 6 Wicklungspaketen, von denen nur 5 für den Schwingkreis benötigt werden. Die 6. Wicklung enthält einen "Induktivitätsüberhang" und kann hervorragend als Koppelspule eingesetzt werden:

Vor allem braucht man sich hierbei nicht um die richtige Polung zu kümmern, denn die Wicklung ist automatisch richtig gepolt. Wenn man die Verlängerungsspule in Gedanken "nach oben klappt", kann man sich gut vorstellen, dass sie gegenüber der Schwingkreisspule gegensinnig gewickelt ist.

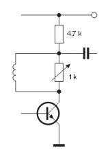
Harte und weiche Einstellung

Eine wirksame Rückkopplung hinzubekommen, ist nicht schwer. Oft setzt die Rückkopplung aber so scharf ein, dass es praktisch unmöglich ist, sie richtig zu dosieren. Ein kleiner Dreh zu weit, und schon zwitschert es, oder, unangenehmer noch, es erscheint das Knacken und Rattern, das auf Pendelschwingungen hinweist. Hinzu kommt noch eine gewisse Abhängigkeit vom Arbeitspunkt. Mit einigen einfachen Maßnahmen lässt sich die Einstellung verbessern.

Wenn zur Einstellung ein Drehkondensator verwendet wird, kann man z.B. einen Widerstand in Reihe schalten.

Die Einstellung lässt sich aber auch mit einem Regelwiderstand vornehmen. Dann muss auf jeden Fall einen Kondensator vorgeschaltet werden, damit der Kollektor gleichspannungsmäßig nicht über die Koppelspule kurzgeschlossen wird. Mit der angegebenen Dimensionierung kann die Rückkopplung verhältnismäßig weich eingestellt werden. Das Gute an dieser Schaltung ist, dass man den Einstellbereich mit einem Festwiderstand spreizen kann.

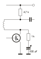
Eine andere Rückkopplungsvariante

Die Rückkoplungsspule lässt sich auch unmittelbar in den Kollektorzweige einfügen. Natürlich darf sie dann keinen elektrischen Kontakt zur Schwingkreisspule haben.

Hier gelangt das verstärkte HF-Signal voll auf die Rückkopplungsspule. Der Trennwiderstand zwischen Kollektor und nachfolgender NF-Stufe ist deshalb nicht erforderlich.

Das Problem bei dieser Schaltung ist nicht, HF für die Rückkopplung zu erhalten, sondern die naturgemäß sehr massive Rückkopplung in den Griff zu bekommen. Wenn die Koppelspule nicht gerade sehr wenig Windungen hat oder - im Falle einer Flachspule - sehr weit weggeschoben werden kann, ist die Rückkopplung praktisch immer zu stark. Es kommt demnach darauf an, die Rückkopplung mit zusätzlichen Maßnahmen zu bremsen.

Bei dieser Schaltungsvariante wird die Rückkopplungsspule durch einen parallel geschalteten Regelwiderstand bedämpft. Je größer der Widerstand ist, desto stärker ist die Rückkopplung. Je nach Art und Windungszahl der Spule können auch andere Widerstandswerte günstiger sein.

Eine andere Methode der Begrenzung der Rückkopplung: Hier wird über einen Widerstand und einen Drehkondensator ein Teil der am Kollektor anfallenen Hochfrequenz nach Masse abgeleitet. Versuchsweise könnte man auch einen kleinen Festkondensator (z.B. 330 pF) und einen Regelwiderstand vorsehen.

Zusammenfassung

Die Rückkopplung ist ein wirksame Methode, um die Schwingkreis zu entlasten und damit zu mehr Lautstärke und vor allem Trennschärfe zu gelangen. Entscheidend ist dabei, wie sauber sich die Rückkopplung einstellen lässt. Der Rückkopplungseinsatz sollte möglichst weich sein, und andererseits sollte sich die Rückkopplung so weit einstellen lassen, dass die Audionstufe zu schwingen beginnt. Unmittelbar vor dem Schwingungseinsatz ist nämlich der Empfang am lautesten und trennschärfsten.

Die Frequenzabhängigkeit lässt sich bei der hier beschriebenen induktiven Rückkopplung nie ganz vermeiden, so dass die Bedienung eines rückgekoppelten Audions immer etwas schwierig ist (und interessant).

zurück