Der einfache Detektorempfänger

Worum geht es?

Der erste Schritt besteht üblicherweise im Aufbau einer Schaltung, die ohne Stromversorgung auskommt, also die gesamte Empfangsenergie aus der Antenne bezieht. Naturgemäß benötigt ein solcher Empfänger eine gute Antenne, und auch dann ist nur eine geringe Lautstärke zu erwarten. Trotzdem sind Versuche mit diesen einfachen Empfängern nicht nur interessant, sondern auch wichtig, denn sie zwingen förmlich dazu, die Schaltung so weit wie möglich zu optimieren.

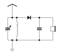
Die Grundschaltung

Zwischen Antenne und Erde liegt der Parallelschwingkreis, der im Resonanzfall, also wenn er auf einen Sender abgestimmt ist, die höchste Impedanz hat und somit den größten Spannungsabfall bewirkt. Die HF-Spannung wird in der Germaniumdiode gleichgerichtet (demoduliert), und die verbleibende NF-Spannung gelangt an den Kopfhörer.

Der Schwingkreis, bestehend aus der Parallelschaltung von Spule und Drehkondensator, wird fest mit der Antenne und - über die Diode - mit dem Kopfhörer verbunden.

Der parallel zum Kopfhörer liegende Kondensator von einigen nF schließt die Hochfrequenz kurz. Er kann in diesem Fall aber auch weggelassen werden, da der Kopfhörer aufgrund seiner Induktivität für die Hochfrequenz unempfänglich ist. Außerdem kann die Hochfrequenz hier keine Störungen verursachen.

Nachteile der Schaltung

Es ist möglich, dass diese Schaltung bereits einen brauchbaren Empfang liefert, wahrscheinlicher aber ist, dass der Empfang in keiner Weise zufrieden stellt. Im Extremfall ist gar nichts zu hören oder aber die Trennschärfe ist so schlecht, dass der Drehkondensator keine Wirkung zu haben scheint. Der Grund liegt in der festen Ankopplung von Antenne und Hörer. Dadurch wird der Schwingkreis stark belastet, was sich in einer Dämpfung und seitens der Antenne auch in einer Verstimmung (Verschiebung des Abstimmpunktes) bemerkbar macht. In der Regel ist eine weniger feste Ankopplung günstiger, wodurch der Schwingkreis entlastet wird. Güte und Trennschärfe des Kreises werden besser.

Bezüglich der Ankopplung der Antenne liest man gelegentlich folgende Faustregeln:

  • Je kürzer die Antenne, desto fester kann (darf) angekoppelt werden.
  • Je fester angekoppelt wird, desto geringer ist die Trennschäfte, desto größer andererseits die Lautstärke.

Die erste Regel kann ich aufgrund meiner Beobachtungen bestätigen, während die zweite mit Vorbehalten anzuwenden ist. Es kann durchaus sein, dass durch eine festere Ankopplung der Antenne die Lautstärke nicht steigt, sondern sinkt, und zwar aufgrund einer stark verflachten Resonanzkurve des Schwingkreises. Hier muss je nach Beschaffenheit der Antenne ein Kompromiss gesucht werden.

Möglichkeiten einer besseren Ankopplung von Antenne und Kopfhörer

1. Spulenabgriffe

Wenn die Schwingkreisspule mit mehreren Anzapfungen versehen ist, kann man die Antenne und/oder den Kopfhörer daran anschließen. Dadurch wird nur noch ein Teil der Spule belastet, was sich in einer geringeren Dämpfung bzw. Verstimmung bemerkbar macht. Außerdem erreicht man u.U. eine bessere Leistungsanpassung, und zwar dann, wenn Antenne und/oder Kopfhörer eine deutlich niedrigere Impedanz als der Schwingkreis haben. Eine Spule mit Anzapfung wirkt dann wie ein Spartransformator, der nicht nur Spannungen, sondern auch Widerstände transformiert. Welche Anzapfung die günstigste ist, lässt sich allerdings nicht generell voraussagen - hier hilft nur das systematische Ausprobieren.

2. Kapazitive Kopplung

Eine andere Möglichkeit der Entkopplung besteht darin, die Antenne über einen Kondensator anzuschließen. Je kleiner die Kapazität, desto loser wird angekoppelt, desto weniger wird der Schwingkreis belastet. Andererseits kann dadurch die Lautstärke sinken, so dass ein Kompromiss gesucht werden sollte. Die kapazitive Kopplung lässt sich auch verwenden, wenn der Anschluss an einer Spulenanzapfung erfolgt. Ob es Vorteile bringt, hängt von der Antenne ab.

3. Induktive Kopplung

Eine sehr wirksame Entkopplung des Schwingkreises erreicht man durch eine separate Koppelspule. Die HF-Signale wird dadurch induktiv in die Schwingkreisspule übertragen; eine direkte Verbindung besteht nicht mehr. Die induktive Kopplung bringt vor allem bei langen Antennen Vorteile. Darüber hinaus hat dieses Verfahren den Vorteil, dass bei geeigneten Spulen der Kopplungsgrad eingestellt werden kann. So lässt sich eine zylindrische Koppelspule mehr oder weniger tief in die zylindrische Schwingkreisspule hineinschieben, oder bei Flachspulen kann der Kopplungsgrad sehr feinfühlig durch Schwenken der Koppelspule eingestellt werden.

Bei anderen Spulenformen kann der Kopplungsgrad nur über die Windungszahl eingestellt werden. Um eine variable Anpassung zu erreichen, müsste die Kopplungsspule mit Anzapfungen versehen sein. - Selbstverständlich kann auch die induktive Kopplung mit der kapazitiven kombiniert werden.

Es ist keineswegs so, dass durch die getrennten Spulen von vornherein eine lose Kopplung erzielt wird. Die Induktionswirkung ist zweiseitig: die Koppelspule induziert in der Schwingkreisspule eine Spannung, und umgekehrt wirkt die Schwingkreisspule wieder auf die Koppelspule zurück. Somit findet auch hier eine Belastung des Schwingkreises statt, die sich in Dämpfung und Verstimmung äußert. Eine lose Kopplung wird entweder durch eine kleine Windungszahl der Koppelspule oder durch großen räumlichen Abstand zwischen den Spulen erreicht.

Die Verstimmung des Schwingkreises durch eine Koppelspule können wir sehr schön an einer Zylinderspule beobachten. Wenn wir die Koppelspule darin verschieben, müssen wir fast immer den Schwingkreis ein wenig nachstellen.

Zusammenfassung

Die beschriebenen Kopplungsarten erlauben eine Vielzahl von Schaltungsvarianten. Um ein Gespür für das Zusammenwirken von Antenne, Schwingkreis und Kopfhörer zu bekommen, empfiehlt es sich, die verschiedenen Kombinationen systematisch durchzuspielen. Dabei kann sich der Antennenumschalter als sehr nützlich erweisen, denn er erspart das lästige Umstecken von Koppelkondensatoren. Wichtig ist, dass die Versuche sowohl tagsüber als auch abends bei Dunkelheit durchgeführt werden, denn die Empfangsbedingungen unterscheiden sich ganz erheblich. Falls mehrere Antennen zur Verfügung stehen, sollten die Versuche mit verschiedenen Antennen gemacht werden. Zur Erinnerung: Antenne und Erde bilden eine Einheit; auch bezüglich des Erdanschlusses sollten verschiedene Möglichkeiten ausprobiert werden.

Die Ankopplung des Kopfhörers ist nicht sonderlich kritisch. Eine Spulenanzapfung in der Nähe des heißen (oberen) Spulenanschlusses erweist sich meistens als günstig oder brauchbar. Wenn anstelle des Kopfhörers allerdings eine Transistorstufe angeschlossen wird, ergibt sich eine andere Situation; dann kann die Ankopplung über eine Koppelspule günstiger oder gar notwendig sein. Aber das wird im Rahmen der einzelnen Schaltungen zu erörtern sein. Bei Röhrenschaltungen dagegen können wir in der Regel direkt an das heiße Ende der Spule gehen, weil der Gittereingang sehr hochohmig ist.

Wesentlich sensibler ist die Ankopplung der Antenne. Vor allem gibt es hierbei keine Lösung, die dauerhaft als die beste gelten kann. Wechselnde Empfangsbedingungen (Tag, Nacht), aber auch kleinere Schaltungsänderungen erfordern immer wieder ein neues Ausprobieren, welche Kopplung die wirkungsvollste ist. Vielleicht ein Anhaltspunkt: Lange Drahtantennen oder Ersatzantennen bringen oft die besten Ergebnisse, wenn man sie induktiv ankoppelt, evtl. über eine Kapazität. Kurze Antennen können meistens besser direkt an der Schwingkreisspule angekoppelt werden, wobei die Koppelkapazität entsprechend relativ klein gewählt werden kann (10 - 33 pF).


Wegen der wechselnden Bedingungen wird in den folgenden Schaltbildern die Antenne nur noch angedeutet. Damit soll darauf hingewiesen werden, dass alle Arten der Ankopplung in Frage kommen, sofern natürlich die Spule das zulässt.

Wenn sich im Einzelfall eine bevorzugte Kopplungsart ergeben sollte, wird dieses selbstverständlich im Schaltbild deutlich gemacht. 

zurück