Einfacher Kopfhörer-Verstärker

Worum geht es?

Wenn wir nicht gerade auf die Niedrigspannungsröhre EF98 zurückgreifen, ist eine NF-Nachverstärkung unerlässlich, um eine einigermaßen akzeptable Lautstärke zu erhalten, auch wenn wir nur über den Kopfhörer empfangen wollen. Zwar können wir uns mit dem Transistor-Verstärkerchen helfen, aber irgendwie ist das eine unbefriedigende Lösung. Von einer Röhrenschaltung erwarten wir zu Recht, dass sie auch eine hinreichende Lautstärke abgibt. Dazu können wir einen einfachen Verstärker mit der Doppeltriode ECC82 aufbauen und an die Audionstufe hängen.

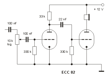
Die Schaltung

Der Verstärker verwendet beide Trioden der ECC82. Trotzdem hält sich die Verstärkung noch in Grenzen, sie ist kaum größer als bei einer gut dimensionierten Transistor-Stufe. Das hängt einerseits mit der nicht sonderlich großen Verstärkung von Trioden, andererseit mit dem Niedringspannungsbetrieb zusammen. Das Lautstärke-Potentiometer wird meistens wohl voll aufgedreht sein.

Die Schaltung ist ziemlich robust (wie vieles, was dermaßen einfach strukturiert ist). Die Werte der Kondensatoren und Widerstände können in weiten Bereichen variiert werden, ohne dass sich dadurch wesentliche Beeinträchtigungen (oder Verbesserungen) ergeben.

Beim Betrieb mit niedrigen Spannungen dürfen solche Schaltungen nicht allzu hochohmig ausgelegt werden, um hinreichend große Anodenströme zu erreichen. Aus demselben Grunde arbeiten die Schaltungen nicht mit nennenswerten, negativen Gittervorspannungen (fehlender Kathodenwiderstand). Eine geringfügige Gittervorspannung wird durch den Gitterstrom und die damit verbundene Aufladung des Gitters erzeugt. Die Besonderheiten, die sich aus dem Betrieb mit "Unterspannungen" ergeben, hat Burkhard Kainka in seinem Buch "Röhren-Projekte von 6 - 60 V" (Elektor-Verlag) erläutert.

Gleichzeitige Beheizung von EF80 und ECC82

Während die EF80 oder EF98 grundsätzlich mit 6 V (genau 6,3 V) Heizspannung betrieben wird, kann die ECC82 wahlweise mit 6 V / 300 mA oder 12 V / 150 mA betrieben werden, je nachdem, ob die beiden Heizdrähte parallel unter Verwendung des Anschlusses 9 oder seriell geschaltet werden. Bei gleichzeitigem Betrieb zweier verschiedener Röhren scheidet der Betrieb mit 12 V/ 150 mA jedoch aus, denn beide Röhren müssen entweder mit der gleichen Spannung (6 V) oder dem gleichen Strom (300 mA) versorgt werden. Daraus ergeben sich zwei Möglichkeiten:

Im ersten Fall werden beide Röhren parallel mit 6 V versorgt (600 mA!), im zweiten Fall seriell mit 300 mA, wobei die doppelte Spannung erforderlich ist.

Wenn ohnehin mit einer Betriebsspannung von 12 V gearbeitet wird, ist die zweite Lösung natürlich vorzuziehen.

In vielen Fällen bietet sich an, die Heizung mit Hilfe eines separaten Steckernetzteils vorzunehmen. Dabei sollte auf jeden Fall der zweite Weg (also 12 V / 300 mA) gewählt werden, auch wenn sich die Spannung am Netzteil auf 6 V einstellen lässt. Steckernetzteile sind normalerweise umso geringer belastbar, je niedriger die eingestellte Ausgangsspannung ist. So kann es sein, dass ein solches Netzteil bei 12 V einen Strom von 500 mA liefern kann, bei 6 V aber nur noch 350 mA. Das hängt mit der steigenden Verlustleistung beim Herunterregeln der Ausgangsspannung zusammen.

zurück