Vergleich der Experimentierschaltungen

Abschließend möchte ich die Einkreiser-Experimente noch einmal vergleichend gegenüberstellen. Es ging vor allem um drei Funktionen:

  • Demodulation, entweder durch Gleichrichtung mit einer Diode oder durch Ausnutzung des Audioneffektes
  • HF-Verstärkung zur Anhebung schwacher Eingangssignale
  • Schwingkreisentdämpfung zur Verbesserung der Selektion und der Resonanzkurve

Die reine NF-Verstärkung wird hier nicht berücksichtigt, weil sie mit dem eigentlichen Empfang nichts zu tun hat, sondern lediglich dem Hörbarmachen dient.

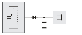
Einfacher Detektorempfänger

Das HF-Signal wird am Schwingkreis abgriffen und mit der Diode demoduliert. Die HF-Anteile werden in einem Tiefpass (Kondensator) entfernt, und die verbleibende Tonfrequenz wird einem Kopfhörer oder NF-Verstärker zugeführt.

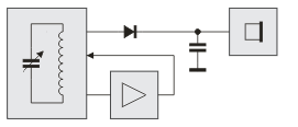
Detektorempfänger mit Schwingkreis-Entdämpfung

Das HF-Signal wird zusätzlich einem Verstärker zugeführt und so auf den Schwingkreis rückgekoppelt, dass dessen Verluste ausgeglichen werden.

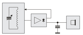
Detektorempfänger mit HF-Verstärkung und Rückkopplung

Das verstärkte HF-Signal wird zur Gewinnung der Tonfrequenz demoduliert, gleichzeitig zur Entdämpfung des Schwingkreises rückgekoppelt.

Audionempfänger mit Rückkopplung

Der Verstärker wird so eingestellt, dass an seinem Ausgang sowohl ein HF-Signal als auch ein NF-Signal anliegt. Die Demodulation kommt durch die gekrümmte Kennlinie des Transistors zustande. Ein Teil des HF-Signals muss für die Rückkopplung erhalten bleiben und darf nicht vom Tiefpass erfasst werden.

Anmerkungen zum Tiefpass:

Der Tiefpass ist nur dann erforderlich, wenn die verbleibende Hochfrequenz stört. Bei direktem Anschluss eines Kopfhörers, entweder hinter der Diode oder im Kollektorzweig eines Audions, wirkt dieser selbst als Tiefpass. Wenn aber nach der Demodulation weiter verstärkt wird, kann es ohne sorgfältige Ausfilterung der HF-Anteile zu unkontrollierbaren Rückkopplungen oder Pendelschwingungen kommen.


Vergleichen wir die Verstärkerschaltungen in den verschiedenen Empfängertypen, dann finden wir kaum einen bemerkenswerten Unterschied. Es geht vor allem darum, die Verstärkerstufe für den jeweiligen Anwendungszweck zu optimieren. Bei der reinen Schwingkreisentdämpfung kommt es auf den weichen, elastischen Rückkopplungseinsatz an. Der HF-Verstärker soll vor allem die Hochfrequenz effektiv verstärken, und das Audion soll bezüglich des Arbeitspunktes und der HF-NF-Trennung optimal ausgelegt sein.

Je mehr Funktionen die Verstärkerstufe wahrnehmen muss, desto schwieriger ist es, sie zu optimieren. So wird, um ein Beispiel zu nennen, eine weiche Rückkopplung oft durch eine geringere Verstärkung und damit eine geringere Lautstärke erkauft. Deshalb kann eine Aufgabenteilung vorteilhaft sein:

Für die Audionstufe und die Schwingkreisentdämpfung werden getrennte Verstärker verwendet. Die Rückkopplung vom Audionausgang entfällt.

Ein besonderer Vorteil ist die weitgehende Unabhängigkeit der Rückkopplung von der Arbeitspunkteinstellung der Audionstufe. Beim Audion ist der Arbeitspunkt sehr kritisch; an der günstigsten Stelle kann die Lautstärke stark zunehmen, wodurch die Verstärkerstufe schnell in den Schwinungszustand gerät, wenn die Rückkopplung von der Audionstufe ausgeht. Dieses Problem stellt sich bei getrennten Verstärkerstufen nicht.

Ein Versuch dazu wird in dieser Beitragsreihe nicht vorgestellt, doch es dürfte nicht schwierig sein, eine entsprechende Schaltung selbst zu entwerfen. Zuerst sollte die Audionstufe sauber dimensioniert und eingestellt sein, dann kann die Entdämpfungsstufe hinzukommen. Letztere kann ziemlich "zahm", das heißt mit deutlicher Gegenkopplung, ausgelegt werden.

zurück