Die
Bausteine werden auf eine Grundplatte aus Metall gesetzt und zu einer
Schaltung
zusammengeschoben. An der Unterseite der Bausteine befinden sich
Magnetplättchen, so dass sie auf der Grundplatte haften. Der
Kontakt der Bausteine untereinander wird mit seitlich angebrachten,
ebenfalls magnetischen Kontaktplättchen hergestellt.
Strippen oder Drahtbrücken werden nicht benötigt, denn dafür stehen
spezielle Verbindungsbausteine zur Verfügung. Der Aufwand an Bausteinen wird
dadurch zwar beträchtlich erhöht, doch andererseits bewirkt dieses Prinzip eine
außerordentliche Schaltplannähe.
Die Bausteine
Das
nebenstehende Bild zeigt einen typischen Verbindungsbaustein.
Er hat die Abmessungen 27 mm x 27 mm, das ist zugleich das
Rastermaß. Die Abmessungen größere Bausteine betragen
ein Vielfaches davon.
Es ist leicht einzusehen, dass der Kontaktdruck nicht sonderlich groß sein kann.
Deshalb müssen die Bausteine immer sorgfältig aneinander geschoben werden. Außerdem
empfiehlt es sich, die Kontaktplättchen von Zeit zu Zeit zu reinigen.
Die
Unterseite des Verbindungsbausteins. Hinter allen Kontaktplättchen
befinden sich Magnete, so dass die Bausteine nicht nur auf der
Grundplatte, sondern auch aneinander haften. Über das
Kontaktplättchen auf der Unterseite wird bei einigen Bausteinen
der Kontakt zur Grundplatte hergestelle (Masse).
Eine kleine Auswahl an Bausteinen. Fast alle Bausteine sind auf der
weißen Oberseite mit dem Schaltbild versehen. Ansonsten bestehen die Gehäuse
aus durchsichtigem Kunststoff. So kann man die eingeschlossenen Bauteile
wenigsten sehen. Wenn man sie schon nicht direkt anfassen kann ...
Das
Messinstrument (100uA) mit Nullpunkt in der Skalenmitte ist
ausgesprochen formschön. Es muss mit externen Widerständen
auf den gewünschten Messbereich eingestellt werden. Um einen
Messbereich von 10 V zu erhalten, wird ein 100k-Widerstand
vorgeschaltet.
Zur
Stromversorgung kann entweder ein Batteriebaustein oder ein kleines
Netzteil (rechts) verwendet werden. Das Netzteil wird von einem
AC-Steckernetzteil versorgt.
Komplexbausteine:
So klar und übersichtlich das Prinzip auch sein mag - an manchen
Stellen hakt es. Zu den "Störenfrieden" gehört z.B. der
Gegenkopplungswiderstand zwischen Kollektor und Basis. Wollte man ihn
mit einem separaten Baustein in die Schaltung einfügen, wäre
ein erheblicher Mehraufwand in Form zusätzlicher
Verbindungsbausteine erforderlich. Außerdem würde die
Schaltung dadurch unübersichtlicher. Deshalb gibt es
Transistorbausteine mit eingebauten Kollektor-Basis-Widerständen.
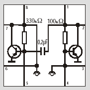
Ein
weiterer Komplexbaustein ist dieser Universalbaustein aus dem
Buchlabor. Bei der Konzeption spielten sicherlich Kostengründe
eine Rolle, denn außer diesem Baustein werden im Buchlabor nur
wenig zusätzliche Bausteine benötigt.
An dem Baustein ist noch etwas anderes beachtenswert: Er enthält
zwei Buchsen (2 mm), mit deren Hilfe Verbindungsleitungen bzw.
zusätzliche Widerstände oder Kondensatoren angeschlossen
werden können. Auch dadurch können Bausteine gespart werden.
Hier werden Anschlussbausteine mit 2-mm-Buchsen benutzt, um selbstgewickelte Spulen in die Schaltung einzufügen.
Ein Blick ins Innere
Links
ein Blick in einen Übertrager-Baustein. Deutlich ist der
Haftmagnet am Boden zu erkennen. Die Kontaktplättchen werden
seitlich in Nuten eingeschoben und mit dem Bauteil verlötet.
Rechts ein Kurzwellen-Spulenaggregat. Der Spulenkern ist von der Seite zugänglich.
Schließlich noch ein Blick ins Innere eines Leerbausteins. Solche Bausteine können nach eigenen Vorstellungen bestückt werden. Die dazu erforderlichen Kontaktplättchen sind ebenfalls einzeln erhältlich.
