Die Lectron-Baukästen bieten insgesamt etwa 700 Versuche. Da fällt die Beschränkung auf wenige Beispiele nicht ganz einfach.
Beispiele aus dem Startsystem
Ein
typischer Lectron-Versuch: keine großartigen Effekte, sondern
klare, einfache Schaltungsstrukturen, die einen Einblick in die
Funktionsweise gestatten.
Das Messinstrument, mit einem Vorwiderstand von 100 k auf einen
Messbereich von 10 V eingestellt, erlaubt zwar keine Präzisions-
messungen, aber die Genauigkeit reicht aus, um Tendenzen und
Zusammenhänge deutlich anzuzeigen. Das Instrument zeigt quasi 0 V
an, weil man nur im Hellen fotografieren kann. Logisch, nicht?
Dieser
Versuch gehört zu den Klassikern von Lectron: Erzeugung von
Hochspannungen mit Hilfe eines Gleichspannungswandlers. Man sieht die
Glimmlampe kräftig aufleuchten.
Übrigens: Die Grundplatte ist nicht braun, sondern
hochglanzvernickelt (oder verchromt?). Die braune Farbe kommt durch
unscharfe Reflexion der holzvertäfelten Zimmerdecke zustande.
Beispiele aus dem Kasten "Radiotechnik"
Radioversuche sind nicht das eigentliche Metier von Lectron und wurden lange Zeit nur am Rande behandelt. Dass nun ein Radio-Baukasten zur Verfügung steht, dazu noch mit einem Ausbaukasten "Radio-Röhrentechnik", bestätigt die derzeitige Tendenz, das elektronische Experimentieren wieder auf die elementaren Grundlagen zurückzuführen.
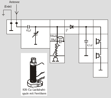
Zunächst eine sehr einfache Empfängerschaltung (KW-Dioden-Empfänger). Der Spulenbaustein wird in dieser Schaltung nur zum Teil ausgenutzt. So enthält der Baustein z.B. eine eingebaute Gitterkombination (100 k, 330 pF) für ein Röhrenaudion. Es stehen drei gleich gestaltete Spulenbausteine zur Verfügung: Mittelwelle, Kurzwelle 49 m, Kurzwelle 19 m. Bei einer Reihe von Versuchen braucht nur der Spulenbaustein ausgetauscht zu werden, um in einen anderen Frequenzbereich zu gelangen.
Nachstehend ein Mittelwellenempfänger mit dem MK 484 (AM-Baustein). Diese leistungsfähige integrierte Schaltung reduziert den Schaltungsaufwand ganz erheblich.
Besonders spannend wird es natürlich bei den Röhrenversuchen. Die Schaltungen werden durchweg mit niedrigen Spannungen bis etwa 50 V betrieben, und so kommen Röhrentypen zum Einsatz, die sich für Niedrigspannungen eignen: ECC81, ECC85, ECL80, EL95, EF80. Besonders die EF80 ist für eigene Versuche interessant, denn sie wurde in großer Stückzahl gefertigt und ist heute noch relativ preisgünstig zu beziehen.
Der folgende Versuch zeigt ein Röhrenaudion mit der EF80:
Die Schaltung funktioniert gut. Im Bild ist zu erkennen, wie die Schaltung mit Strom versorgt wird. Rechts oben liegt der Versorgungsbaustein, an welchen ein Steckernetzteil 12 V~ angeschlossen wird. Die Wechselspannung wird zur Heizung der Röhre benutzt, wozu zur Anpassung ein Widerstand 18 Ohm vorgeschaltet wird (rechts unten). Der wird allerdings sehr heiß, und man muss bei der Bedienung des Rückkopplungspotis aufpassen, dass man sich nicht daran verbrennt. Die Anodenspannung wird mittels eines Spannungsvervielfachers erzeugt. Nach meiner Auffassung ist die Oberflächengestaltung dieses Bausteins etwas unglücklich; ein Prinzipschaltbild wäre übersichtlicher gewesen.
Die Kathode liegt an einer Anzapfung der Spule, ein Hinweis, dass das ECO-Prinzip angewandt wird. Die Rückkopplung erfolgt - da es sich um eine Pentode handelt - durch Einstellung der Schirmgitterspannung. Sie setzt allerdings sehr hart ein und muss extrem feinfühlig bedient werden, vor allem bei schwacher Ankopplung der Antenne.
Der Kondensator von 300 pF links neben dem Anschlussbaustein für den Kopfhörer ist ursprünglich nicht vorgesehen und wurde eingefügt, um probehalber den Drehko auf über 500 pF zu spreizen. Der Drehko-Baustein ist nur für 250 pF ausgelegt, und die Spule hat eine Induktivität von etwa 200 uH. Damit kann der MW-Bereich nicht ganz erfasst werden.
Beim nächsten Versuchsbeispiel werden alle Register gezogen: AM-Röhrenaudion mit EF80 und ECL80, kombiniert mit einem FM-Empfangsteil für UKW-Empfang.
In dem FM-Baustein steckt die integrierte Schaltung TDA7000. Mit diskreten Bausteinen wäre ein UKW-Empfänger wohl nicht zu realisieren. Bedingt durch die flächigen Kontakte haben die Bausteine nämlich eine beachtliche Kapazität gegen die Grundplatte. Die Messung bei einigen Verbindungsbausteinen ergab 15 - 25 pF.
Bei derartig umfangreichen Schaltungen kann auch Lectron keinen übersichtlichen Versuchsaufbau mehr bieten. Zwar kann man die Leitungsverläufe deutlich erkennen, aber das Schaltbild wird doch ganz schön "durchgerührt".
Versuchsbeispiele aus anderen Kästen
Abschließend noch ein kleiner Blick in andere Lectron-Kästen. Im Gegensatz zum Kasten "Radiotechnik" werden hier moderne Bauteile eingesetzt.
Das erste Bild zeigt einen Versuch aus dem Kasten "Digitaltechnik". Es handelt sich um einen Binärzähler, aufgebaut mit JK-Master-Slave-Flipflops.
Das zweite und letzte Beispiel zeigt eine Integratorschaltung aus dem Kasten "Operationsverstärker". In Abhängigkeit von der eingestellten Eingangsspannung wird der Kondensator im Gegenkopplungszweig mal schneller, mal langsamer auf- und entladen. Die Dimensionierung ist so ausgelegt, dass der Vorgang an den Meßgeräten verfolgt werden kann.
