4. Der nicht invertierende Verstärker

4.1 Grundschaltung

Bis jetzt haben wir, was die Verstärkung anbetrifft, nur die beiden Grenzfälle kennengelernt, nämlich die volle Verstärkung bei den einführenden Komparatorschaltungen und die auf den Faktor 1 abgebremste Verstärkung beim Spannungsfolger. Nun geht es darum, wie man brauchbare Verstärkungsfaktoren erreichen kann. Dazu wieder ein einfacher Versuch:

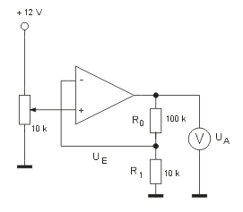
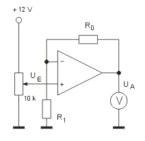
Die Gegenkopplung wird nun nicht direkt am Ausgang abgegriffen, sondern an einem Spannungsteiler, gebildet aus R0 und R1.

Wenn wir nun die Spannung am Eingang langsam heraufdrehen, stellen wir fest, dass bereits nach etwa 10 % des Poti-Einstellbereichs der Ausgang die positive Betriebsspannung erreicht ist (bzw. in die Sättigung geht). Es muss demnach eine etwa zehnfache Verstärkung stattfinden. Das müssen wir jetzt genau untersuchen.

4.2 Der Verstärkungsfaktor

Vorher sollten wir uns aber an einen wichtigen Zusammenhang erinnern:

In einem gegengekoppelten Verstärker liegt an den beiden OP-Eingängen die gleiche Spannung.


In der Schaltung ist sie mit UE bezeichnet. Diese Spannung finden wir demnach am Schleifer des Potis, am invertierenden Eingang und am Abgriff zwischen R0 und R1 vor.

Damit brauchen wir nur noch die Verhältnisse am Spannungsteiler zu betrachten:

Daraus folgt:

Grundsätzlich erhalten wir die Ausgangsspannung eines linear arbeitenden Verstärkers, indem wir die Eingangsspannung mit dem Verstärkungsfaktor A multiplizieren:

Den Verstärkungsfaktor können wir schnell in der Formel (2) wiederfinden. Er beträgt

bzw.

Setzen wir nun die Widerstandswerte aus dem obigen Versuch, dann erhalten wir einen Verstärkungsfaktor von 11. Das entspricht unseren Beobachtungen.

An dieser Stelle sollten wir noch einige Begriffe klären: Die volle Verstärkung eines OP (ohne Gegenkopplungsmaßnahmen) nennt man auch Leerlaufverstärkung oder offene Schleifenverstärkung (open loop gain). Sie wird in der Regel mit A0 gekennzeichet.

Demgegenüber steht die tatsächliche, durch die Gegenkopplung eingestellte Verstärkung A, auch geschlossene Schleifenverstärkung (closed loop gain) genannt.

Die Schaltung, die wir hier untersuchen, heißt nicht invertierender Verstärker. Die Bezeichnung deutet auf einen wichtigen Sachverhalt hin: Wenn die Spannung am Eingang steigt, wird auch die Ausgangsspannung größer. Ein weiteres Merkmal: Der Eingangswiderstand entspricht dem Eingangswiderstand des OP, ist also ziemlich groß.

Interessant ist die letzte Formel (5). Sie zeigt nämlich sehr deutlich, dass bei dieser Schaltungsvariante der Verstärkungsfaktor nicht kleiner als 1 sein kann. Wenn wir ferner für R0 den Wert 0 einsetzen (das entspricht einer direkten Drahtverbindung), dann ist auch das Verhältnis R0 / R1 = 0, und die Verstärkung beträgt 1. Genau das war der Fall beim Spannungsfolger.

Nach diesem Abstecher in die Theorie sollten wir noch einmal das Schaltbild betrachten. Wenn wir es ein wenig umgestalten, dann erhalten wir eine geläufigere Darstellung:

In der nebenstehenden Form wird der nicht invertierende Verstärker normalerweise gezeichnet.

Zusammenfassung
  • Der nicht invertierende Verstärker erlaubt eine exakt einstellbare Verstärkung von Spannungen. Der kleinste Verstärkungsfaktor ist 1.
  • Der nicht invertierende Verstärker hat einen großen Eingangswiderstand.

4.3 Anwendungen

Mit den festgestellten Eigenschaften ist der nicht invertierende Verstärker hervorragend für Messzwecke oder zur Verwendung in Analogrechnern geeignet. Ferner können damit auch Wechselspannungen verstärkt werden, so dass man den Verstärker sehr vielfältig für NF-Zwecke einsetzen kann. Aber das werden wir später in einem besonderen Abschnitt untersuchen.

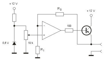
Stattdessen greifen wir noch einmal unser einfaches Netzteil aus dem letzten Abschnitt auf. Wir mussten die Schaltung in einem ziemlich unvollkommenen Zustand zurücklassen, denn wir konnten damit keine höhere Spannung als die Z-Spannung erzielen. Das lässt sich mit dem nicht invertierenden Verstäker nun ändern.

Durch die beiden Widerstände R0 und R1 wird aus dem Spannungsfolger ein nicht invertierender Verstärker.

Wir wollen erreichen, dass wir am Ausgang eine Spannung von 0 V - 10 V einstellen können. Dazu müssen wir erst mal wissen, welche Spannung genau an der Z-Diode anliegt. Wir messen nach. In dem Berechnungsbeispiel gehen wir davon aus, dass die Spannung 5,3 V beträgt. Die Abweichung von der Nennspannung ergibt sich zum einen aus der Toleranz der Z-Diode, zum anderen aus der Belastung durch das Poti.

Damit kennen wir den erforderlichen Verstärkungsfaktor: A = 10 / 5,3 = 1,89. Nach Formel (5) ist das Verhältnis R0 / R1 = A - 1 = 0,89. Nehmen wir nun für R1 einen Widerstand von beispielsweise 10 k, dann muss R0 eine Größe von 8,9 k haben. Üblicherweise wird man aber einen etwas kleineren Widerstand nehmen (z.B. 6,8 k) und in Reihe dazu ein Trimmpoti (z.B. 4,7 k) schalten, um den Einstellbereich genau abgleichen zu können.

Zum Überlegen und Weiterexperimentieren

Auch diese Schaltung nutzt das vorhandene Spannungspotential nicht aus, denn wir "verschenken" ja den kompletten negativen Spannungsbereich. Um auch den nutzbar zu machen, dürfen wir den Bezugspunkt nicht mehr an "Spannungsmitte" (Masse) legen, sondern an -12 V. Damit lässt sich dann ein Einstellbereich von immerhin rund 20 V erreichen.

Allerdings gibt es da ein Problem: Wie wir schon gesehen haben, liegen die Betriebsspannungen sowohl eingangs- als auch ausgangsseitig außerhalb des Arbeitsbereiches (common mode range). Der LM324 ist diesbezüglich zwar großzügig im Minusbereich, doch sollten wir die Schaltung so auslegen, dass sie auch mit anderen OP zu realisieren ist. Das erreichen wir dadurch, dass wir die niedrigste Spannung nicht bei 0 V, sondern etwas höher ansetzen (z.B. 3 V). Wir brauchen dazu nur unterhalb des Einstellpotis einen Widerstand anzubringen.

Die Berechnung dieses Widerstandes sowie der beiden Widerstände im Gegenkopplungszweig möchte ich nun Ihnen überlassen.


Zur Vertiefung

Es ist so schön einfach: 10 k und 100 k ergeben einen Verstärkungsfaktor von 11. Doch müssen es genau diese Widerstände sein? Natürlich nicht, wir könnten ebenso gut 1 k und 10 k oder 22 k und 220 k nehmen. Doch wo sind die Grenzen dieser Freizügigkeit?

Aus nachvollziehbaren Gründen (Stromverbrauch, Belastung der Vorstufe usw.) neigen wir dazu, die äußere Beschaltung möglichst hochohmig zu machen. Doch sollten wir dabei bedenken, dass ab einer bestimmten Größe die ansonsten geringen Eingangsströme des OP nicht mehr vernachlässigbar sind. Außerdem machen sich Störeinflüsse bei hochohmiger Beschaltung stärker bemerkbar. Wir sollten deshalb bei einem Standard-OP nicht über 1 M gehen. Anders liegt der Fall bei OPs mit FET-Eingang (z.B. 3140). Hierbei können wir weit in den Megaohmbereich vorstoßen.

Andererseits gibt es auch nach unten eine Grenze. Nehmen wir dazu ein Beispiel: R0 = 100 Ohm, R1 = 10 Ohm. Wir haben also wieder unseren "Elferverstärker". Wenn die Ausgangsspannung nun 10 V beträgt, liegt an beiden Eingängen eine Spannung von knapp 1 V. Die Spannungsdifferenz von 9 V fällt am Widerstand R0 ab und bewirkt somit einen Strom von von 90 mA. Dieser Strom muss aber vom Ausgang des OP geliefert werden. Wir wissen bereits, dass er das nicht leisten kann. Folge, die Ausgangsspannung bricht zusammen. Da der LM 324 kurzschlussfest ist, können wir es ruhig auspobieren. Die maximal erreichbare Ausgangsspannung ist ein guter Hinweis, wieviel Strom wir dem Ausgang entnehmen können.

Facit: Am wohlsten fühlt sich der OP, wenn wir im Bereich 1 k - 100 k bleiben. Das sind keine Grenzwerte, sondern Erfahrungswerte, mit denen wir auf der sicheren Seite sind. Abweichungen nach oben oder unten sind möglich, sollten aber gut überlegt sein.

zurück