2. Der Komparator - OP als Differenzverstärker

2.1 Erste Bekanntschaft mit dem Operationsverstärker

Schauen wir uns dazu das Schaltzeichen des Operationsverstärker an (im folgenden werde ich die Abkürzung OP verwenden):

Das Dreieck ist das allgemeine Verstärkersymbol. Rechts haben wir den Ausgang, links zwei Eingänge, die mit + und - gekennzeichnet sind. Warum der OP mit zwei Eingängen ausgestattet ist, werden wir gleich als erstes untersuchen. Ferner hat der OP zwei Anschlüsse für die Stromversorgung, die in den folgenden Schaltbildern weggelassen werden. Diese Anschlüsse werden mit + 12 V und - 12 V verbunden. Für den Masseanschluss der Stromversorgung gibt es am OP keinen direkten Anschluss. Die Masse ist Bestandteil der "äußeren" Schaltung.

Nun zu unserem speziellen OP, dem LM 324. Er ist in einem 14-poligen Gehäuse untergebracht, dessen Anschlüsse folgendermaßen belegt sind:

Wir sehen, dass wir uns diese Anschlussbelegung schnell einprägen können. Die vier OPs haben eine gemeinsame Stromversorgung, wobei wir jedoch beachten müssen, dass der Anschluss 11 (GND) nicht an Masse, sondern an -12 V gelegt wird. Der Anschluss 4 wird entsprechend mit +12 V verbunden.

Die mit (-) gekennzeichneten Eingänge werden in der Regel als invertierende Eingänge bezeichnet, die mit (+) gekennzeichneten Eingänge als nicht invertierende Eingänge. Um beim Lesen besser unterscheiden zu können, verwende ich im folgenden die Bezeichnungen Plus-Eingang und Minus-Eingang.

Drei wichtige Eingenschaften eines OP sollten wir schon jetzt festhalten, auch wenn wir sie noch nicht experimentell überprüft haben:

  • Der Operationsverstärker hat einen (relativ) hohen Eingangswiderstand
  • Der Operationsverstärker hat einen (relativ) geringen Ausgangswiderstand
  • Der Operationsverstärker hat eine außerordentlich große Verstärkung

2.2 Spannung an den Eingängen

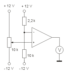
An den Minus-Eingang legen wir eine Spannung von 0 V, indem wir ihn mit Masse verbinden. Am Plus-Eingang können wir über das Poti eine beliebige Spannung von -12 V bis +12 V legen. Bevor wir einschalten, drehen wir den Schleifer ganz nach unten (-12 V).


Das Voltmeter zeigt in dieser Potistellung eine Ausgangsspannung von -12 V an. Wenn der gemessene Wert etwas von 12 V abweicht, liegt es wahrscheinlich daran, dass das Netzgerät nicht genau die gewünschte Spannung liefert. Aber das lässt sich schnell überprüfen, und wir können uns auf die Abweichung einstellen. Das gilt auch für die folgenden Versuche.

Nun drehen wir den Schleifer langsam hoch und erhöhen die Spannung am Plus-Eingang. Bei einem bestimmten Punkt springt die Ausgangsspannung plötzlich auf etwa +10,5 V. Wir drehen nun zurück zu dem Punkt, wo die Ausgangsspannung umspringt und messen jetzt einmal die Spannung am Poti. Wenn das Messinstrument hochohmig genug ist, wird es etwa 0 V anzeigen.

Somit können wir die Beobachtung folgendermaßen zusammenfassen: Wenn am Plus-Eingang eine negative Spannung liegt (egal wie groß), liegt am Ausgang eine Spannung von -12 V. Bei positiver Eingangsspannung erhalten wir eine Ausgangsspannung von etwa +10,5 V.

Doch mit dieser Beobachtung ist das Verhalten des OP nur zum Teil erklärt. Wir bauen nun die Schaltung etwas um:

Der Minus-Eingang liegt nun nicht mehr an Masse (0 V), sondern erhält über einen Spannungsteiler eine positive Spannung. Wenn wir überschlagen, kommen wir auf eine Spannung von knapp +8 V. Am Plus-Eingang hat sich nichts geändert.

Wir gehen nun genau so vor wie beim ersten Versuch, stellen aber fest, dass wir das Poti erheblich weiter aufdrehen müssen, bis die Ausgangsspannung von -12 V auf +10,5 V umspringt. Tatsächlich ist es so, dass dieser Punkt genau dann erreicht wird, wenn die Spannung am Plus-Eingang positiv gegenüber der Vergleichsspannung am Minus-Eingang wird. Das gilt auch für den ersten Versuch, nur haben wir dort (als Sonderfall) 0 V an den Minus-Eingang gelegt.

Daraus schließen wir: Der Operationsverstärker reagiert nicht auf absolute Spannungswerte, sondern auf die Spannungsdifferenz zwischen den beiden Eingängen. Ist die Spannung am Plus-Eingang größer als die Spannung am Minus-Eingang, liegt am Ausgang +10,5 V - und umgekehrt. Eine solche Schaltung, die die Spannungen an den Eingängen vergleicht und - unabhängig von der der Größe der Differenz - am Ausgang signalisiert, nennt man Komparator.

Liegt beim Komparator am Plus-Eingang eine höhere Spannung als am Minus-Eingang, dann beträgt die Spannung am Ausgang annähernd der positiven Betriebsspannung.

Liegt beim Komparator am Plus-Eingang eine niedrigere Spannung als am Minus-Eingang, dann beträgt die Spannung am Ausgang annähernd der negativen Betriebsspannung.


2.3 Die Ausgangsspannung - Sättigung

Nun werfen wir einen Blick auf den Ausgang. Da ist vor allem die Frage interessant, warum sich gerade diese 2 Spannungen einstellen. Die Erklärung finden wir in der großen Verstärkung des OP, die laut Datenblatt bei 100 V / mV liegt. Das bedeutet, dass der OP 100 000-fach verstärkt. Wenn wir jetzt mal annehmen, dass die Spannung am Plus-Eingang um 0,01 V größer ist als am Minus-Eingang, dann müsste sich am Ausgang eine Spannung von 1000 V einstellen. Das geht natürlich nicht, weil die Ausgangsspannung nicht größer als die Betriebsspannung sein kann. Ja, nicht einmal die Betriebsspannung ist ganz erreichbar, weil intern auch noch eine gewisse Spannung abfällt. So kommt es denn, dass der Ausgang nicht höher als die festgestellten +10,5 V "getrieben" werden kann. Diesen Zustand nennt man Sättigung.

Im Minusbereich scheint es jedoch anders zu sein, denn dort erreichen wir die volle (negative) Betriebsspannung von -12 V. Das ist aber nicht typisch für den OP schlechthin, sondern ein spezielles Merkmal des verwendeten Typs LM324, der besonders für niedrige Betriebsspannungen ausgelegt ist und auch gut mit einer einzigen Stromversorgung auskommt. Normalerweise können wir davon ausgehen, dass wir am Ausgang etwa 90% der Betriebsspannung zur Verfügung haben, sowohl im positiven als auch im negativen Bereich. Der untere Grenzwert wird im Datenblatt als output voltage low limit bezeichnet und liegt beim LM324 etwa 5 mV oberhalb der negativen Betriebsspannung. Der obere Grenzwert (output voltage high limit) liegt etwa 1,5 V unterhalb der positiven Betriebsspannung..

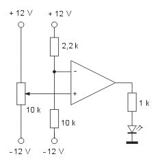
Nun, da wir wissen, dass es beim Komparator nur zwei Ausgangsspannungen gibt, ist das Messgerät dort überflüssig. Wir bauen die letzte Schaltung noch einmal um:

Wenn die Ausgangsspannung positiv ist (+10,5 V), wird die Leuchtdiode in Flussrichtung betrieben und leuchtet auf. Kippt die Spannung auf den negativen Wert (-12 V), bleibt die Leuchtdiode dunkel, da sie nun in Sperrrichtung betrieben wird.

2.4 Einfache Anwendungen des Komparators

Damit die Sache nicht allzu theoretisch bleibt, nun eine Schaltung, die bereits einen gewissen Nutzwert hat:

Nun steuern wir den Minus-Eingang über das Poti an, während der Plus-Eingang an einem Spannungsteiler liegt, gebildet aus einem Festwiderstand und einem LDR (Fotowiderstand). Am Poti können wir eine beliebige Vergleichsspannung einstellen. Die Spannung am Plus-Eingang steigt, wenn zusätzliches Licht auf den LDR fällt, denn dieser erhält dadurch einen geringeren Widerstand.

Zunächst suchen wir mit dem Poti den Umschaltpunkt, also die Stelle, wo die Leuchtdiode auf einmal aufleuchtet (oder erlischt). Wir stellen das Poti nun so ein, dass die Leuchtdiode gerade erlischt. Wenn wir nun zusätzliches Licht auf den LDR fallen lassen (Taschenlampe, Streichholz), leuchtet die LED auf. Natürlich können wir sie umgekehrt auch durch Abdunklung zum Erlöschen bringen, was auf dasselbe hinauskommt. Im Prinzip haben wir mit dieser Schaltung eine elementare Form der Lichtschranke oder des Dämmerungsschalters realisiert. Natürlich ist die Schaltung nicht optimal; besser geeignet wäre ein Schmitt-Trigger, den wie später betrachten.

Zum Überlegen und Weiterexperimentieren
  • Es gibt noch eine zweite Möglichkeit, den Eingang zu beschalten, und zwar so, dass genau derselbe Effekt eintritt (mehr Licht - LED geht an). Überlegen Sie, wie die Bauteile angeschlossen werden müssen.
  • Durch geringfügige Änderungen lässt sich der umgekehrte Effekt erreichen (mehr Licht - LED geht aus). Auch dieses lässt sich auf zweifache Weise erreichen. Probieren Sie es aus.
  • Es muss nicht immer Licht sein. Vielleicht haben Sie einen temperaturabhängigen Widerstand zur Hand (Heißleiter oder Kaltleiter), den Sie anstelle des LDR einsetzen.
  • Oder ... Fällt Ihnen noch etwas ein?

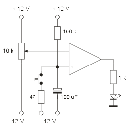
Mir fällt noch etwas ein, nämlich der Zusammenhang zwischen Zeit und Spannung. Dazu wieder eine einfache Versuchsschaltung:

Hier wird die Spannung am Plus-Eingang durch den Kondensator gesteuert. Zunächst entladen wir den Kondensator über den kleinen Widerstand, indem wir die Taste einen Moment lang drücken. Die Leuchtdiode müsste jetzt auf jeden Fall dunkel sein. Nun lassen wir die Taste los und beobachten.



Vielleicht leuchtet die LED sofort wieder auf, vielleicht erst nach 10 oder 20 Sekunden, vielleicht auch gar nicht. Das hängt stark von der Spannung Minus-Eingang ab. Was geschieht? Der Kondensator wird über den Widerstand von 100 k aufgeladen, wobei die Spannung am Kondensator zunimmt. Wenn die Vergleichsspannung am Minus-Eingang erreicht ist, kippt der OP, und die Leuchtdiode leuchtet.

Nun nimmt die Spannung aber nicht gleichmäßig mit der Zeit zu, sondern steigt am Anfang sehr schnell, um sich dann immer langsamer dem Grenzwert zu nähern. Wenn wir das Poti höher drehen, kann es durchaus sein, dass wir schon recht lange warten müssen. Wenn wir das Poti aber zu hoch drehen, warten wir vergebens, dann wird nämlich die Vergleichsspannung am Minus-Eingang überhaupt nicht erreicht. Dafür gibt es zwei Gründe:

Zum einen sind Elkos nicht immer ganz "dicht". Es entstehen Leckströme, die ein vollständiges Aufladen verhindern. Zum anderen, und das ist der wichtigere Grund, arbeiten die Eingänge nicht im kompletten Betriebsspannungsbereich einwandfrei. Ähnlich wie beim Ausgang gibt es auch an den Eingängen einen Bereich, in welchem die Eingangsspannungen liegen müssen. Allerdings wird der OP nicht beschädigt, wenn wir die vollen Betriebsspannungen oder (innerhalb bestimmter Grenzen) noch höhere Spannungen an die Eingänge legen. Der Arbeitsbereich wird im Datenblatt als input common mode voltage range bezeichnet.

Zur Vertiefung

Der Sättigungszustand, mit dem wir bei allen bisherigen Versuchen ganz unbekümmert umgegangen sind, ist eigentlich ein unerwünschter Zustand. Der Ausgang ist zwar schnell in die Sättigung "hineingetrieben", aber es dauert eine gewisse Zeit, ihn wieder in den Arbeitsbereich zurückzuholen. Das ist nur eine sehr kurze Zeit, die bei unseren eher statischen Versuchen keine Rolle spielt, doch der Komparator wird ja auch in schnellen Schaltungen eingesetzt, und da kann diese Verzögerung sehr stören oder sogar die Schaltung unbrauchbar machen.

Als Abhilfe werden "Ausgangsbegrenzer" eingesetzt. Das sind Maßnahmen, die dafür sorgen, dass der Anstieg des Ausgangssignals sofort gebremst wird, sobald eine gewisse Grenzspannung erreicht wird. Wir können solche Schaltungsmaßnahmen an dieser Stelle noch nicht verständlich erklären; so dass wir es bei dem Hinweis belassen müssen.

zurück