5. Der invertierende Verstärker - der Addierer

5.1 Grundschaltung

Das Gegenstück zum nicht invertierenden Verstärker, den wir im letzten Kapitel besprochen haben, ist der invertierende Verstärker. Aus der Bezeichnung geht eindeutig hervor, dass dieser Verstärker "umgekehrt" arbeitet: Wenn die Eingangsspannung erhöht wird, sinkt die Ausgangsspannung.

Aber das ist nicht das einzige Unterscheidungsmerkmal zum nicht invertierenden Verstärker, es nicht einmal das wichtigste. Doch der Reihe nach. Bauen wir zunächst wieder einen "Kennenlernversuch" auf:

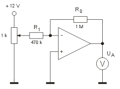
Irgendwie vertraut und doch anders: Der nicht invertierende Eingang liegt an Masse. Die Widerstände R0 und R1 sind recht hochohmig, das Poti dagegen ist mit 1 k niederohmiger ausgelegt als in den bisherigen Schaltungen.

Drehen wir das Poti hoch, stellen wir fest, dass die Spannung am Ausgang negativ ist. Aber das ist ja bei einem invertierenden Verstärker zu erwarten. Wir stellen die Ausgangsspannung auf -10 V und messen die Spannung am Poti: Es sind +5 V. Demnach verstärkt diese Schaltung zweifach.

5.2 Verstärkungsfaktor

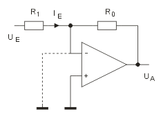
Um zu verstehen, wie die Verstärkung zustande kommt, müssen wir erstmalig auch die Stromstärke in unsere Überlegungen einbeziehen. Dazu vereinfachen wir das Schaltbild so weit wie möglich:

Die gestrichelt eingezeichnete Masseverbindung existiert nicht wirklich, sondern soll darauf hinweisen, dass der invertierende Eingang infolge der Gegenkopplung auf gleichem Potential liegt wie der nicht invertierende Eingang.

Die Eingangsspannung UE bewirkt durch R1 einen Eingangsstrom IE. Dieser Strom kann aber nicht nach Masse abfließen, sondern nur über R0 zum Ausgang weiterfließen. An R0 entsteht dadurch eine Spannung, die eine umgekehrte Polarität wie die Eingangsspannung hat - das ist die Ausgangsspannung.

Eine etwas andere Darstellung: R1 und R0 bilden einen gemeinsamen Stromzweig mit einem Bezugspunkt von 0 V "in der Mitte". Wenn UE positiv ist, kann U0 nur negativ sein - und umgekehrt. Betragsmäßig verhalten sich die beiden Spannungen wie die entsprechenden Widerstände.

Was es mit dem Verstärkungsfaktor auf sich hat, ist schnell herausgefunden und formuliert.

In dem Minuszeichen kommt zum Ausdruck, dass hier invertierend verstärkt wird. Lösen wir nach UA auf, erhalten wir den Verstärkungsfaktor:

Denkbar einfach also. Nun dürfte auch klar sein, warum unsere Versuchsschaltung den Verstärkungsfaktor 2 hat (und nicht etwa 3 wie beim nicht invertierenden Verstärker).

5.3 Eingangswiderstand

Einige Gedanken zum Eingangswiderstand der Schaltung. Auch wenn der Minus-Eingang keine direkte Masseverbindung hat, so fließt doch ein Strom, dessen Stärke in der Formel (1) zum Ausdruck kommt. Der Eingangswiderstand des invertierenden Verstärkers entspricht etwa dem Widerstand R1, ist also in der Regel relativ niedrig. Um das Poti in der Versuchsschaltung oben nicht über Gebühr zu belasten, wurde es niederohmig ausgelegt, während gleichzeitig die Beschaltung des OP relativ hochohmig erfolgte.

Das wollen wir aber im nächsten Versuch etwas eleganter lösen:

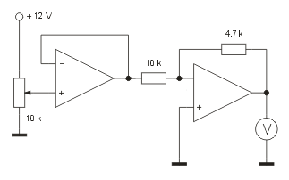
Ein simpler Impedanzwandler vorgeschaltet, und wir können wieder zu vertrauten Widerstandswerten zurückkehren.

Fällt Ihnen etwas auf? Richtig, diese Schaltung verstärkt nicht, sondern halbiert die Eingangsspannung. Und invertiert sie natürlich. Mit zwei gleich großen Widerständen am zweiten OP hätten wir einen Inverter mit dem Verstärkungsfaktor 1.

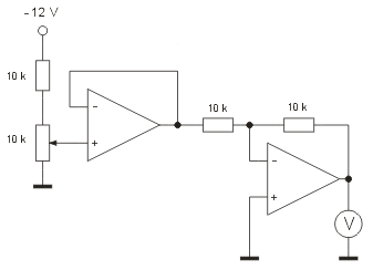
5.4 Addierer

Nun aber gleich zur nächsten, wesentlich interessanteren Schaltung:

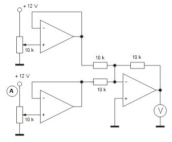
Lauter Widerstände von 10 k. Natürlich können Sie auch andere Werte verwenden, nur die drei Widerstände rund um den rechten OP sollten gleich groß sein.

Drehen wir zunächst beide Potis nach unten auf 0 V. Nun erhöhen etwas die Spannung am oberen Poti, anschließend am unteren Poti, dann wieder am oberen.

Egal, welches Poti wir hochdrehen, immer wird die Ausgangsspannung etwas weiter hochgeschraubt. Hier werden offensichtlich die beiden Eingangsspannungen addiert und als Summenspannung (invertiert) ausgegeben. Wir haben eine Addierschaltung (Addierer, Summierer) vor uns. Wie funktioniert das? Ganz einfach: Die beiden Ströme durch die Widerstände am Eingang des invertierenden Verstärkers fließen in einem Knoten zusammen und sorgen als "Summenstrom" für die entsprechende Ausgangsspannung am Gegenkopplungswiderstand. Und da alle OPs auf den Verstärkungsfaktor 1 eingestellt sind, ist die Ausgangsspannung gleich der Summe der beiden Eingangsspannungen.

Zum Überlegen und Weiterexperimentieren

Diese Schaltung bietet reichlich Möglichkeiten für weitere Experimente.

  • Wie lässt sich erreichen, dass beide Eingangsspannungen um den Faktor 5 verstärkt in die Ausgangsspannung einfließen?
  • Wie lässt sich erreichen, dass die eine Eingangsspannung mit zweifacher Verstärkung in die Ausgangsspannung einfließt, die andere aber nur mit halber Verstärkung ?
  • Verbinden Sie den Punkt A im Schaltbild oben nicht mit +12 V, sondern mit -12 V. Was erwarten Sie? Prüfen Sie es nach.

Zur Vertiefung

Bisher sind wir etwas widersprüchlich vorgegangen. Zur Erklärung der Funktionsweise haben wir den Strom herangezogen, dann aber doch nur mit Eingangsspannungen hantiert. Ja, wir haben uns vor dem Eingangsstrom und dem nicht vernachlässigbaren Eingangswiderstand förmlich gedrückt, indem wir entweder die Widerstandswerte "gequetscht" haben oder auf Impedanzwander ausgewichen sind. Das ist absolut in Ordnung so, aber wir sollten trotzdem den Verstärker noch einmal aus der "Stromperspektive" betrachten. Die Funktionsweise würden wir nun etwa so beschreiben:

Wir speisen am Minus-Eingang einen Strom IE (oder auch mehrere Ströme wie beim Addierer) ein und erzeugen damit eine Ausgangsspannung, die dem Produkt aus dem Eingangsstrom (oder der Summe der Eingangsströme) und dem Widerstand R0 entspricht. Diese Betrachtungsweise hat den Vorteil, dass bei hochohmigeren Quellen der Innenwiderstand eleganter in die Rechnung einbezogen werden kann.

Der Begriff Addierer stammt aus der Analogrechentechnik. Das heißt aber nicht, dass man damit nur rechnen kann. Um ein Gespür zu bekommen, wozu die Schaltung sonst noch gut ist, machen wir einen weiteren Versuch:

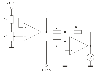
Die Schaltung bietet zunächst nichts neues. Zu beachten ist, dass in Reihe mit dem Poti ein Widerstand von 10 k liegt und dass dieser Zweig mit -12 V verbunden wird.

Die Funktion dieser Schaltung bedarf wohl keiner Erklärung mehr. Am Ausgang können wir eine Spannung von 0 V bis etwa +6 V einstellen. Nun wollen wir diese Spannung so verschieben, dass wir am Ausgang einen Bereich von -3 V bis +3 V erhalten. Das ist ein typischer Fall für die Additionsschaltung. Wir ergänzen die Schaltung:

Es kommt nur ein Widerstand R hinzu, der mit + 12 V verbunden wird.

Über den Widerstand R wird ein zusätzlicher (positiver) Strom hinzugefügt, der eine Verschiebung der Ausgangsspannung in negativer Richtung bewirkt. Die Frage ist, wie groß R sein muss.

Da wir am Ausgang eine Spannungsverschiebung von 3 V erzielen wollen, müssen wir dafür sorgen, dass diese Spannung am Gegenkopplungswiderstand von 10 k abfällt. Das wird durch einen Strom von 3 V / 10 k = 0,3 mA erreicht. Damit lässt sich nun R bestimmen: R = 12 V / 3 mA = 40 k. Ein Widerstand von 39 k müsste geeignet sein.

Das Schöne ist, dass sich durch eine solche Maßnahme an der Verstärkung des eigentlichen Signals nichts ändert. Es handelt sich nur um eine lineare Verschiebung des Ausgangspegels. Häufig geht es nur um geringe Korrekturen, etwa um den Nullpunktabgleich von Messgeräten oder die Kompensation von Fehlspannungen am OP-Eingang (Offset-Kompensation).

Zum Überlegen und Weiterexperimentieren

Der invertierende Verstärker lässt sich gut zur Bereichsspreizung von Messeinrichtungen verwenden. Ein Batterieprüfgerät mit einer Skala, die von 1 V bis 1,6 V reicht, erlaubte ein recht genaues Ablesen der Batteriespannung (natürlich unter Belastung). Nach den bisherigen Ausführungen sollten Sie imstande sein, eine solche Skalenspreizung im Versuch zu simulieren.

Für genaues Messen müsste die Vorrichtung abgleichbar sein (Trimmpotis), wobei zwei Abgleichpunkte erforderlich sind: Mit dem Abgleich des Verstärkungsfaktors wird der Endpunkt der Skala, mit dem Ableich der Verschiebung wird der Anfangspunkt der Skala festgelegt. Wie kann man erreichen, dass die beiden Abgleichpunkte unabhängig voneinander eingestellt werden können?


zurück