3. Der Spannungsfolger - Gegenkopplung

3.1 Spannungsfolger

Nachdem der OP sich in den bisherigen Versuchen mit voller Verstärkung austoben durfte, wollen wir ihn nun bändigen, und zwar nachhaltig. Dazu beginnen wir gleich mit einem Versuch:

Der Minus-Eingang wird mit dem Ausgang verbunden, und an den Plus-Eingang kann über das Poti eine einstellbare Spannung gelegt werden. Im Gegensatz zu bisher bewegen wir uns nicht mehr frei zwischen -12 V und +12 V, sondern beziehen die Eingangsspannung auf Masse. Dadurch erhalten wir einen definierten Bezugspunkt und klare Verhältnisse "um Null herum".

So einfach die Schaltung ist, so unspektakulär ist ihr Verhalten. Die Ausgangsspannung lässt sich stufenlos von 0 V bis etwa +10,5 V einstellen und entspricht ganz offensichtlich der am Poti eingestellten Eingangsspannung.

Doch wie kommt es zu diesem Verhalten? Nehmen wir dazu einmal an, dass am Ausgang eine Spannung von 4 V liegt. Wenn wir nun die Spannung am Eingang hochziehen, würde der OP aufgrund der hohen Verstärkung die Spannung am Ausgang kräftig erhöhen, wenn da nicht die Verbindung zum invertierenden Eingang wäre. Sofort wird dadurch der Anstieg gebremst, und zwar so weit, bis sich wieder ein stabiler Zustand eingestellt hat.

Versuchen wir, diesen Zustand einmal zu erfassen. Nehmen wir an, dass am Plus-Eingang eine Spannung von +4 V anliegt. Die Spannung am Ausgang und damit am Minus-Eingang muss aber geringfügig niedriger sein als 4 V, weil ja diese Differenz verstärkt wird. Wir können dieses "geringfügig" auch zahlenmäßig abschätzen: Es ist die Ausgangsspannung dividiert durch die Verstärkung des OP.

Wir brauchen den Zahlenwert nicht wirklich genau genau zu bestimmen, denn es handelt sich um Bruchteile von mV. Das ist so gering, dass wir die Abweichung zwischen dem Plus-Eingang und dem Ausgang bzw. zwischen den beiden Eingängen getrost vernachlässigen können.

Eine solche Schaltung nennt man Spannungsfolger, weil am Ausgang (und gleichzeitig am Minus-Eingang) dieselbe Spannung liegt wie am Plus-Eingang. Bei der Verbindung vom Ausgang zum Eingang handelt es sich um eine Rückkopplung, und da sie invertierend wirkt, sprechen wir von einer Gegenkopplung. Eine Rückkopplung zum Plus-Eingang nennen wir entsprechend Mitkopplung.

Zur Vertiefung

Die Vernachlässigung der genannten Spannungsunterschiede ist typisch für den Umgang mit dem OP. Das ist aber nur deshalb zulässig, weil der OP so hoch verstärkt. In der Praxis geht man sogar oft von einer unendlich hohen Verstärkung aus und bezeichnet einen solchen OP als "idealen Operationsverstärker". Zu den Merkmalen eines idealen OP gehören auch ein unendlich großer Eingangswiderstand und ein vernachlässigbar kleiner Ausgangswiderstand. Jedoch gibt es da deutliche Unterschiede zwischen den verschiedenen Typen. Operationsverstärker mit FET-Eingang haben einen so hohen Eingangswiderstand, dass man ihn tatsächlich vernachlässigen kann. Aber es gibt auch OPs mit ziemlich niedrigem Eingangswiderstand. Der LM 324 liegt diesbezüglich in der Mitte.

3.2 Gegenkopplung und Ausgangswiderstand

Nun müssen wir uns fragen, wozu ein Spannungsfolger gut sein soll. Man könnte es spitzfindig formulieren: Wozu eine OP-Schaltung, wenn doch ein schlichter Draht den besten Spannungsfolger darstellt?

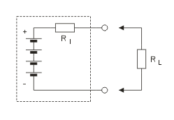
Um das zu untersuchen, sollten wir als nächstes den Ausgangswiderstand betrachten. Vorweg eine kurze Darstellung, was mit dem Ausgangswiderstand gemeint ist. Wir kennen den folgenden Effekt: Wenn wir eine gebrauchte Batterie nehmen und die Ausgangsspannung messen, stellen wir erstaunt fest, dass die noch recht passabel ist. Schließen wir aber ein Glühlämpchen an, dann glimmt es nur noch müde. Verantwortlich für diesen Effekt ist der Innenwiderstand der Batterie, die mit fortschreitender Entladung immer größer wird:

Ersatzschaltbild einer Batterie: Der Innenwiderstand liegt in Reihe mit der Spannungsquelle und bildet zusammen mit dem Lastwiderstand einen Spannungsteiler.

Auch am Ausgang eines OP müssen wir uns einen solchen Innenwiderstand vorstellen. Inwieweit der eine Rolle spielt, sollen die folgenden Versuche klären.

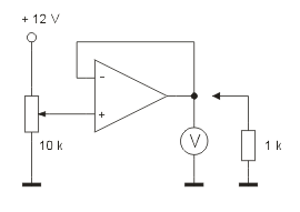
Wir stellen am Spannungsfolger eine beliebige Spannung ein, z.B. 4 V. Nun belasten wir den Ausgang, indem wir parallel zum Messinstrument einen Widerstand von 1 k schalten.

Das Ergebnis: Das Messinstrument muckt sich nicht, die Ausgangsspannung wird in keiner Weise durch die zusätzliche Last beeinflusst. Ist also der Ausgangswiderstand doch vernachlässigbar klein? Oder tritt er wegen der Gegenkopplung nicht in Erscheinung? Um das zu untersuchen, vergrößern wir erst einmal den Ausgangswiderstand künstlich, indem wir (wie im Ersatzschaltbild zur Batterie) einen größeren Widerstand an den Ausgang legen:

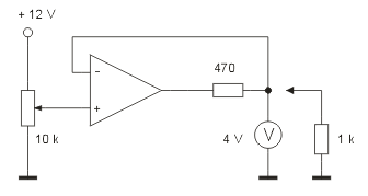
Zuerst stellen wir (ohne den Lastwiderstand von 1 k) eine Ausgangsspannung von 4 V ein. Dann schalten wir den Lastwiderstand parallel.

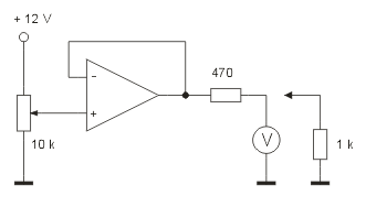
Wir merken, nun geht die Ausgangsspannung in die Knie, was angesichts der Schaltung nicht verwunderlich ist. Ändern wir die Schaltung noch ein wenig ab:

Nun legen wir die Gegenkopplung nicht direkt an den Ausgang des OP, sondern schließen sie "jenseits" des Widerstandes an. Erneut schließen wir den Lastwiderstand an und beoachten das Messinstrument.

Kein Spannungsabfall diesmal, das Instrument zeigt auch bei zusätzlicher Belastung noch die eingestellten 4 V an.

Und damit haben wir eine weiteres, wichtiges Merkmal der Gegenkopplung festgestellt: Innenwiderstände werden von der Gegenkopplung erfasst und kompensiert. Das bedeutet aber nichts anderes, als dass der OP durch die Gegenkopplung einen sehr niedrigen Ausgangswiderstand (annähernd 0 Ohm) bekommt. Der zunächst so unnütze Spannungsfolger wird auf einmal sehr wichtig, denn er fungiert vor allem als Impedanzwandler. Durch den hohen Eingangswiderstand am nicht invertierenden Eingang belastet er die Vorstufe kaum; durch seinen vernachlässigbar geringen Ausgangswiderstand kann er auch ohne Verlust Schaltungen ansteuern, die keinen großen Eingangswiderstand haben.

Beispiel: Wir haben ein Voltmeter mit einem Innenwiderstand von nur 15 k (keine Seltenheit bei Instrumenten, die z.B. für Schalttafeln gedacht sind). Mit einem vorgeschalteten Impedanzwandler machen wir daraus ein hochohmiges Instrument.

Allerdings zeigt der letzte Versuch auch die Grenzen der Gegenkopplung auf. Wenn wir bei belastetem Ausgang nämlich die Spannung hochdrehen, merken wir, dass bei etwa 7 V oder 8 V Schluss ist. Irgendwo muss der Spannungsverlust an dem Innenwiderstand ja aufgefangen werden.

Zum Überlegen und Weiterexperimentieren
  • Was ist zu erwarten, wenn Sie anstelle des Widerstandes von 470 Ohm eine Diode in Flußrichtung zwischenschalten? Wie macht sich die nichtlineare Kennlinie der Diode bemerkbar? Probieren Sie es aus. Messen Sie auch die nun maximal erreichbare Ausgangsspannung und suchen sie eine Erklärung.
  • Was ist, wenn Sie die Gegenkopplung nicht direkt, sondern über einen Widerstand von 10 k herstellen?

3.3 Mehr Strom am Ausgang

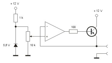
Nun schauen wir noch einmal auf den ersten Versuch. Dort haben wir die Spannung an einem Poti von 10 k eingestellt. Nun ist so ein Spannungsteiler alles andere als belastbar. Erst durch den nachgeschalteten Impedanzwandler haben wir eine Spannungsquelle erhalten, die nicht sofort zusammenbricht. Im Prinzip ist solch eine Schaltung schon als primitives, regelbares Netzteil zu verwenden - soweit der Ausgang des OP mitmacht. Der kann nämlich nicht mehr als etwa 40 mA Strom liefern, und das ist für ein Netzteil schlicht zu wenig. Mit einer einfachen Erweiterung können wir die Ausgangsstrom beträchtlich erhöhen:

Die Gegenkopplung schließt hier sowohl den Schutzwiderstand von 100 Ohm als auch den Spannungsabfall an der Basis-Emitter-Strecke des Transistors ein.

Auch bei dieser Schaltung folgt die Ausgangsspannung exakt der am Poti eingestellten Spannung. Der Ausgang des OP braucht nur noch den Basisstrom zu liefern; die Belastbarkeit der Schaltung hängt von der Belastbarkeit des als Emitterfolger geschalteten Transistors (Kühlung!) sowie dessen Stromverstärkung ab.

In dieser Form lässt sich die Schaltung bereits als einfaches, regelbares Netzteil verwenden. Um das zu testen, können wir am Ausgang ja mal ein Glühlämpchen anschließen (Vorsicht, die Spannung vorher auf 0 zurückdrehen, sonst hat das Lämpchen evtl. nur eine kurze Lebensdauer). Wir überzeugen uns, dass die Ausgangsspannung durch diese Belastung nicht zurückgeht, indem wir ein Voltmeter anschließen.

Was noch fehlt, ist eine Stabilisierung. Damit sollen Spannungsschwankungen oder restliche Brummspannungen unterdrückt werden. Eine zwar noch nicht optimale, aber doch brauchbare Stabilisierung erzielen wir mit einer Z-Diode:

Die Eingangsspannung wird nun an der Z-Diode abgegriffen.

Nun können wir bei angeschlossenem Lämpchen gleich voll aufdrehen, denn die Ausgangsspannung kann nicht größer sein als die Spannung an der Z-Diode. Der Einstellbereich von 0 V bis etwa +6 V ist natürlich ziemlich mager. Im nächsten Abschnitt werden wir diese Schaltung wieder aufgreifen und den Einstellbereich auf einigermaßen brauchbare Werte erhöhen.

Zum Merken
  • Durch die Gegenkopplung stellen sich an den Eingängen des Oberationsverstärkers (annähernd) gleiche Spannungen ein.
  • Bei einem gegengekoppelten Operationsverstärker ist der Ausgangswiderstand sehr klein.
  • Wenn Bauteile mit nichtlinearer Kennlinie in die Gegenkopplung eingeschlossen werden, erfolgt eine Linearisierung.

zurück