6. Der Differenzverstärker

Wenn wir einmal von den einleitenden Komparatorversuchen (Kapitel 2) absehen, dann haben wir immer nur einen der beiden Eingänge als Signaleingang benutzt; der andere war mit dem Bezugspunkt (Masse) verbunden, also festgelegt. In der nun zu besprechenden, letzten Grundschaltung werden wir beide Eingänge verwenden.

6.1 Die Grundschaltung

Der Grundgedanke ist einfach: Wir wissen, dass der OP von seiner Struktur her imstande ist, die Differenz zweier Spannungen zu verstärken. Bei den Komparatorversuchen haben davon schon Gebrauch gemacht, wobei allerdings die extrem hohe Leerlaufverstärkung letzten Endes nur einen Vergleich der beiden Spannungen zuließ. Um die Differenz genau zu erfassen, müssen wir die Verstärkung auf ein vernünftiges Maß reduzieren.

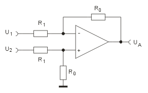
Entgegen der bisherigen Vorgehensweise schauen wir uns gleich die Prinzipschaltung an:

Wir erkennen sofort die Symmetrie: die beiden Eingänge sind mit gleichen Widerstandswerten beschaltet

Praktische Bedeutung hat nur dieser Sonderfall der symmetrischen Beschaltung. Zwar lassen sich prinzipiell die Eingänge auch unterschiedlich beschalten, doch werden die Zusammenhänge dadurch ziemlich kompliziert. Besser ist es, mit symmetrischen Differenzverstärkern zu arbeiten und evtl. erforderliche Pegelanpassungen in den Vorstufen vorzunehmen.

Beim symmetrischen Differenzverstärker ist die Übertragungsformel sehr anschaulich:

Der Verstärkungsfaktor ergibt sich wie beim invertierenden Verstärker aus dem Verhältnis R0 / R1. So einfach sich diese Formel darstellt, so umständlich ist die Herleitung. Deswegen verzichte ich hier darauf, die Formel zu entwickeln. Zum Verständnis des OP würde diese mathematische Trockenübung ohnehin nichts beitragen.

6.2 Der Instrumentationsverstärker

Bevor wir eine Versuchsschaltung aufbauen, soll auf eine wichtige Eigenschaft hingewiesen werden:

Beide Eingänge sind ziemlich niederohmig. Außerdem sind die Eingangswiderstände nicht gleich groß.


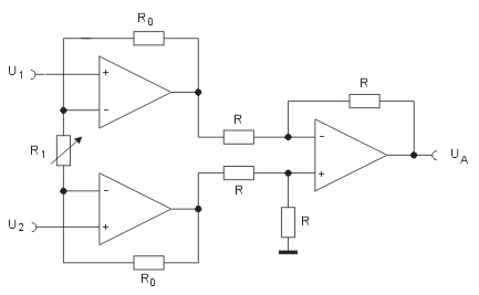
Das ist nicht vielversprechend. Aber vom invertierenden Verstärker wissen wir, dass wir uns durch vorgeschaltete Impedanzwandler helfen können. Und genau das Verfahren wird üblicherweise beim Differenzverstärker angewandt. Es gibt sogar Bausteine, die gleich die Impedanzwandler eingebaut haben. Doch schauen wir uns eine solche Schaltung einmal an:

Ein paar Besonderheiten gibt es doch festzustellen. Der eigentlicher Differenzverstärker (rechts) wird mit 4 gleichen Widerständen beschaltet, das heißt, er hat den Verstärkungsfaktor 1. Die Verstärkung findet stattdessen in den beiden Impedanzwandlern statt, die nun als nicht invertierende Verstärker geschaltet sind. Das Interessante daran ist, dass es an den Minus-Eingängen einen gemeinsamen Widerstand R1 gibt. Zur Einstellung des Verstärkungsfaktors braucht nur noch dieser Widerstand angepasst zu werden; alle anderen Widerstände können fest eingebaut werden. Die Berechnungsformel ist nun ein wenig komplizierter:

Da die Verstärkung in den nicht invertierenden Verstärkern vorgenommen wird, haben wie wieder das "Plus 1" - wir können also keine Faktoren kleiner als 1 einstellen. Und da ferner die beiden Eingangssverstärker sich den Widerstand R1 "teilen", geht der Widerstand R0 doppelt in die Gleichung ein.

Eine solche Luxusausgabe von Differenzverstärker nennt man Instrumentationsverstärker (einleuchtend, nicht?). Wir können ihn nun aufbauen. Für alle Widerstände mit Ausnahme von R1 nehmen wir den bewährten Wert von 10 k. Um R1 zu bestimmen, stellen wie die linke Formel um und erhalten:

oder einfacher:

6.3 Anwendungen

Ein typischer Fall für den Differenzverstärker ist die Messbrücke. Dabei werden die Spannungen an den beiden Knoten einem Differenzverstärker zugeleitet und - entsprechend den auftretenden Spannungsdifferenzen - so verstärkt, dass sie bequem weiterverarbeitet bzw. gemessen werden können. Meistens ist die Spannungsdifferenz aber wenig aussagekräftig; dann wird ein Brückenglied einstellbar gemacht und die Brücke auf "Null" abgeglichen. Dazu ein einfacher Versuch.

Wir erweitern den Differenzverstärker um den abgebildeten Schaltungsteil. Den Differenzverstärker stellen wir auf einen Verstärkungsfaktor von rund 10 ein. Das erreichen wir, indem wir für R1 einen Widerstand von 2,2 k einsetzen.

Bei der vorgeschlagenen Dimensionierung der Brücke müsste sich mit den meisten Fotowiderständen (LDR) die üblichen Beleuchtungsstärken im Raum erfassen lassen. Der Regelwiderstand wird so eingestellt, dass er denselben Widerstand hat wie der LDR. In diesem Fall ist die Spannungsdifferenz zwischen den beiden Zweigen 0 V. Die Skala am Regelwiderstand könnten wir mit einem geeichten Vergleichsinstrument (Luxmeter) auf die Beleuchtungsstärke justieren. Da der LDR eine nichtlineare Kennlinie hat, ist u.U. die Verwendung eine logarithmischen Regelwiderstandes vorteilhaft.

Nun mag man einwenden, dass sich der Nullabgleich ja auch mit einem simplen Komparator nach Kapitel 2 durchführen ließe. Prinzipiell stimmt das, aber wesentlich angenehmer ist es, wenn man den Nullabgleich auf einer Skala vollziehen kann. Das Voltmeter am Ausgang des Differenzverstärkers sollte sowohl positive als auch negative Spannungen anzeigen können (Digitalinstrument oder Skala mit Nullpunkt in der Mitte beim Analoginstrument).

Mit dem Differenzverstärker können wir alle Versuche des Kapitels 2 (Komparator) noch einmal aufgreifen. Was wir zu dort wegen der ungebremsten Leerlaufverstärkung nur unvollkommen erfassen konnten, nämlich die Annäherung der Spannungspegel an den beiden Eingängen, lässt sich nun durch Messung der Spannungsdifferenz sehr gut verfolgen.

Zur Vertiefung

Operationsverstärker sollen wirklich nur die Spannungsdifferenz zwischen den beiden Eingängen verstärken. Demnach muss 8 V am Eingang 1 und 8,4 V am Eingang 2 zum exakt gleichen Ergebnis führen wie z.B. 3,8 V am Eingang 1 und 4,2 V am Eingang 2.

Den gemeinsamen Spannungsanteil (8 V im ersten Fall, 3,8 V im zweiten) nenn man Gleichtakt. Beim idealen OP wird der Gleichtakt vollständig unterdrückt, doch in Wirklichkeit funktioniert die Gleichtaktunterdrückung nicht immer hunderprozentig. Sofern die daraus resultierenden Fehler nicht mehr vernachlässigbar sind, muss die Gleichtaktunterdrückung durch äußere Schaltungsmaßnahmen verbessert werden. Der Instrumentationsverstärker zeichnet sich übrigens auch durch eine gute Gleichtaktunterdrückung aus.


zurück