8. Der Differenzierer

Für eigene Schaltungsentwürfe hat der Differenzierer mit OP kaum Bedeutung. Wir betrachten ihn trotzdem kurz, zum einen, um die Reihe der Grundschaltungen zu vervollständigen, zum anderen, weil der Vergleich mit dem Integrierer sehr interessant ist. Der Differenzierer verhält sich nämlich genau entgegengesetzt wie der Integrierer. Vergegenwärtigen wir uns noch einmal die Funktionsweise des Intergierers:

Beim Integrierer steigt oder fällt die Ausgangsspannung umso schneller, die höher die Eingangsspannung ist.


Wenn wir diese Aussage nun umkehren, haben wir das Verhalten des Differenzierers:

Je schneller sich beim Differenzierer die Eingangsspannung ändert, desto größer ist die Ausgangsspannung.


Die Umkehrfunktion kommt auch in der Formel zum Ausdruck. Vielleicht erinnern wir uns bei der Gelegenheit daran, dass im Mathematikunterricht das Integrieren und Differenzieren als Umkehroperationen behandelt wurden:

Erneut haben wir die Zeitkonstante RC, die - wie sollte es anders sein - nun nicht reziprok wie beim Integrierer erscheint. Das Minuszeichen ist wieder der Hinweis darauf, dass auch der Differenzierer invertiert arbeitet.

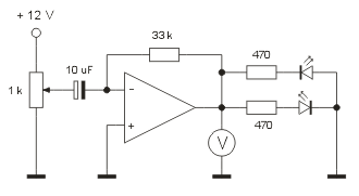
Aber das alles ist graue Theorie. Wir bauen nun einen Versuch auf, mit dem wir die oben formulierte Funktion nachprüfen können.

Noch einmal wird etwas umgekehrt: Der Kondensator und der Widerstand haben gegenüber dem Integrator ihre Plätze in der Schaltung getauscht.

Kritisch in diesem Versuch ist das Voltmeter am Ausgang. Hier kann wirklich nur ein Analoginstrument benutzt werden, das außerdem nicht zu stark gedämpft sein darf. Ferner muss es positive und negative Spannungen ohne Umstöpseln richtig anzeigen, also den Zeiger in der Skalenmitte haben oder eine elektronische Polaritätsumschaltung besitzen. Da ein solches Instrument nur selten zur Verfügung steht, schließen wir ersatzweise oder zusätzlich die beiden LEDs an. Sie sind entgegengesetzt gepolt, so dass die obere LED bei negativen Ausgangsspannungen aufleuchtet, die untere bei postiven. Etwas nachteilig ist bei diesem Indikator, dass die LEDs erst bei Spannungen größer 1 V aufleuchten. Aber der Versuch ist ohnehin nicht sehr genau, da spielt diese Tatsache keine nennenswerte Rolle.

Wenn wir nun ein wenig gedankenlos mit dem Poti herumspielen, werden wir außer einem mehr oder weniger hellen, kurzen Aufleuchten der LEDs nichts bemerken. Doch wenn wir uns noch einmal die Funktionsweise vor Augen führen, können wir gezielt vorgehen: Es kommt auf die Änderungsgeschwindigkeit der Eingangsspannung an.

1. Nachdem wir das Poti in die Ausgangsstellung (linker Anschlag) gebracht haben, drehen wir es nicht zu langsam ein kurzes Stück hoch. Die obere LED flackert kurz auf. Wir drehen ein Stück weiter - wieder ein Aufflackern. Usw. Dann geht es auf dieselbe Weise zurück. Wir sehen: Am Ausgang tut sich nur dann etwas, wenn wir die Eingangsspannung ändern.

2. Wir drehen nun das Poti ganz langsam hoch und beobachten die LEDs und das Voltmeter, sofern vorhanden. Ergebnis: Die Ausgangsspannung bleibt gering. Die LEDs dürfen nicht aufleuchten.

3. Nun testen wir unsere Geschicklichkeit. Wir versuchen, das Poti so zu drehen, dass die LEDs möglichst gleichmäßig, aber schwach aufleuchten.

4. Schließlich verbinden wir das heiße Ende des Potis noch mit -12 V und vergleichen. Dabei dürfen wir nicht vergessen, den Elko umzupolen.

Zum Überlegen und Weiterexperimentieren

Wenn Sie wollen, können sie die Zeitkonstante ändern, indem Sie für C und R andere Werte wählen. Stellen Sie auch hierbei Vergleiche mit dem Integrierer an.

Überlegen Sie auch folgendes: Eigentlich müsste nach Stillstand des Potis die Ausgangsspannung sprunghaft auf 0 V zurückgehen. Wie kommt es, dass die Spannung trotzdem nicht ganz steil abfällt, besonders bei sehr großen Kondensatoren?

Es gibt zwei Hauptanwendungsbereiche für den Differenzierer:

  • In der Analogrechentechnik wird er verwendet, um die Änderungsgeschwindigkeit von Größen zu erfassen.
  • In der Impulstechnik dient er zur Impulsformung. So kann aus einem Dreiecksignal ein Rechtecksignal gewonnen werden. Oder aus einem Rechtecksignal werden kurze Stoßimpulse gewonnen, die an den steilen Flanken auftreten.

Die Gewinnung von sehr kurzen Impulsen kann für eigene Schaltungsentwicklungen recht nützlich sein, man kann z.B. Monoflops oder Zähler damit triggern. Allerdings muss man dazu in den meisten Fällen nicht den "Luxusdifferenzierer" mit OP bemühen. Ein einfacher Kondensator oder ein RC-Glied erfüllt den Zweck fast ebenso gut. Wenn Sie den Exkurs zum Integrierer gelesen und dort erfahren haben, dass der Integrierer sich wie ein Tiefpass verhält, dann gilt für den Differenzierer das Gegenteil: Er ist ein Hochpass und lässt demnach die höherfrequenten Oberwellen bevorzugt durch. Genau das leistet bereits auch ein RC-Glied der abgebildeten Form.

Zur Vertiefung

Der Differenzierer mit OP ist in der Praxis nicht unkritisch. Da er sich wie ein Hochpass verhält, ist er sehr empfindlich für hochfrequentes Rauschen und erzeugt u.U. ein Bombardement von hochfrequenten Störimpulsen, die alles durcheinander bringen können. Diese müssen natürlich gesperrt werden. Das geschieht, indem man einen Widerstand in Reihe mit dem Kondensator legt und/oder einen kleinen Kondensator parallel zum Gegenkopplungswiderstand. Das ist aber genau das Schaltungsprinzip des Integrators. Man könnte also sagen, dass man den Differenzierer mit einem schwach darüber gelegten Integrator (Tiefpass) entschärft.


zurück