Versuchsschaltungen von Funkstabo 2

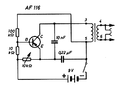
Ein einfacher NF-Verstärker mit Lautsprecher als Mikrofon

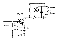
Eine andere einfache Verstärkerschaltung

Einstufiger Rückkopplungs-Tongenerator

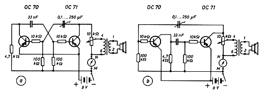
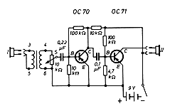
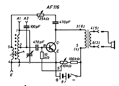
Zweistufiger Verstärker mit Lautsprecher als Mikrofon

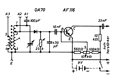
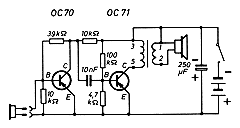
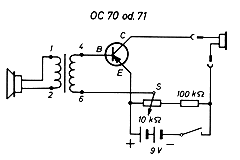
Zweistufiger Verstärker mit Kopfhörer als Mikrofon

Detektorschaltung mit transformatorgekoppelter NF-Stufe

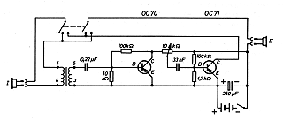
Schaltung mit einer zweiten NF-Stufe

(Dieselbe Detektorschaltung wie im vorangegangenen Versuch)

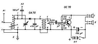
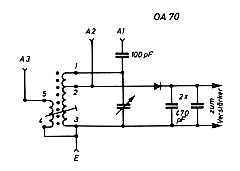
Audionstufe mit Transformatorausgang
für Kopfhörer


Audionempfänger für Versuche mit der Gegenkopplung

Versuche zur Beeinflussung des Frequenzgangs

(Anschluss an den Audion-Empfangsteil)

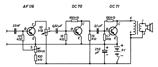
Zweistufiger Einheitsverstärker für weitere Versuche

Detektorschaltung zum Anschluss an den Einheitsverstärker

Detektorempfänger mit einstufiger NF-Vorverstärkung

Audionaufbau zum Einheitsverstärker

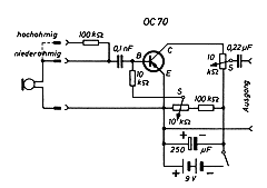
Mikrofon-Vorverstärker

Zweistufiger Kontrollverstärker

Dreistufiger Experimentierverstärker

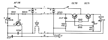
Wechselsprechanlage für grundlegende Versuche


Multivibrator-Schaltung
(Der einzige Ausflug in die digitale Schaltungstechnik)

Morseanlage mit zwei Stationen

Tongenerator zur Speisung von Meßschaltungen

Erweiterung des Tongenerators zum Regenmelder

zurück