Versuchsschaltungen von Funkstabo 1

Ein großer Teil der Ausführungen im Anleitungsbuch 1 befasst sich mit den Grundlagen der Elektronik und des Radioempfangs. Dazu werden einige Vorversuche durchgeführt, die hier aber nicht aufgeführt sind.

Die Schaltungen sind in derselben Reihenfolge wiedergegeben wie im Anleitungsbuch. Ebenso wurden die Versuchsbezeichnungen wörtlich übernommen. Eigene Kommentare erscheinen in Kursivschrift.

Abgestimmter Detektorempfänger

Schaltung mit kapazitiver oder induktiver Antennenkopplung

Detektorschaltung mit loser Diodenankopplung

Empfänger mit NF-Verstärker in Emitterschaltung

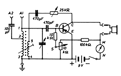
Rückgekoppeltes Audion in Emitterschaltung

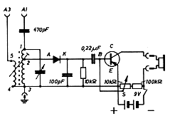
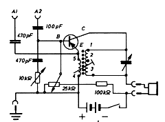
Audion in Kunstschaltung

Die Hochfrequenz wird in Basisschaltung, die Niederfrequenz in Emitterschaltung verstärkt. Der Versuch erfordert eine sorgfältige Abstimmung und soll nach Angaben des Autors ein Gefühl für die Abhängigkeit der einzelnen Regelmöglichkeiten voneinander vermitteln.

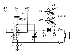
Empfänger in Reflexschaltung

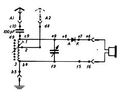
Ein Tongenerator, der sich als Morseübungsgerät eignet

zurück