Funkstabo - Anleitungsbücher

Mit Herbert G. Mende konnte Stabo einen kompetenten Autoren für die Anleitungsbücher gewinnen. Mende hatte als Verfasser diverser Bücher zur Radiotechnik einen guten Ruf.

Wer nun einen straff durchorganisierten Lehrgang erwartet, sieht sich allerdings getäuscht. Nach einer etwas breiter angelegten Einführung in die elektronischen und insbesondere die radiotechnischen Grundlagen, unterstützt durch einige einfache Versuche, geht es eher zwanglos weiter. In der Reihenfolge der Versuche ist kein eindeutiges System zu erkennen, sondern die Versuche werden so angeboten, wie sie sich mit dem Material der jeweiligen Ausbaustufe umsetzen lassen. Wenn zum Verständnis Theorie erforderlich ist, wird sie an Ort uns Stelle vorgeschoben. Es ist also nicht so, dass sich die Versuchsabfolge aus einem theoretisch-systematischen Kontext ergibt.

Die Inhaltsverzeichnisse

Funkstabo 1

Funkstabo 2

Funkstabo 3

Versuchsbeispiel: Superhet

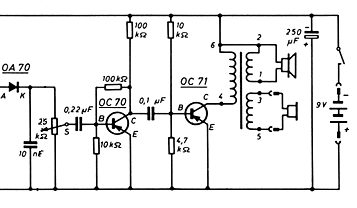
Die Versuche werden in üblicher Weise zweifach dargestellt, zum einen als Schaltbild, zum anderen in Form einer Aufbauskizze. Als Beispiel hier der Versuch aus Abschnitt P des Anleitungsbuches zu Funkstabo 3. Zunächst das Schaltbild, das aus Gründen der besseren Darstellungsqualität aufgeschnitten wurde:

Die Funktion der Oszillator- und Mischstufe wurde auf den vorherigen Seiten hinreichend ausführlich erklärt. Die Beschreibung des Versuchs beinhaltet vor allem den Aufbau und - beim Superhet wichtig - den Abgleich der Empfangsschaltung. Man sieht, dass im ZF-Teil ein keramischer Filter anstatt einer Spule eingesetzt wird, wodurch sich die Schaltung vereinfacht.

Die Aufbauskizze dazu sieht folgendermaßen aus:

Dieser umfangreiche Versuch erstreckt sich über drei Grundplatten, auf denen es ziemlich gedrängt zugeht. Ohne Aufbauskizze wäre es kaum zuzumuten, die Schaltung aufzubauen.

Dieselbe Skizze wird noch einmal verwendet, um die 8 Abgleichpunkte hervorzuheben.

 

zurück