Versuchsbeispiele

Einige Versuchsschaltungen

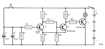
Treppenhauslicht (EE2003). Ein einfacher Zeitschalter mit Schmitt-Trigger und Kondensator, dessen Entladezustand das Abschalten auslöst. Viele - wenn nicht die meisten - Versuche greifen auf die elektronischen Grundschaltungen (Multivibrator, Schmitt-Trigger, Phasenschieber) zurück.

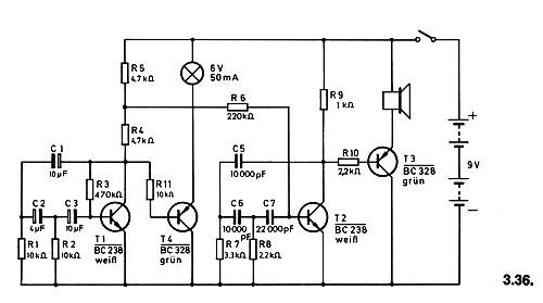
Feuersirene mit Warnlicht (EE2004). Zwei Phasenschieber, wobei der langsamere den schnelleren moduliert und so den Sireneneffekt erzielt. Ein Beispiel dafür, wie mehrere, in sich leicht verständliche Schaltungsteile zusammenwirken.

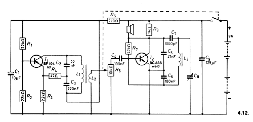
Blinkgeber mit PNP- und NPN-Transistor (EE2004). Komplementäre Schaltungstechnik wird selten angewandt. Im Anleitungsbuch wird darauf hingewiesen, dass durch eine solche Technik der Aufwand reduziert werden kann.

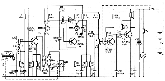
Regelbarer Tonfrequenzgenerator (EE2003). Die Signale zweier LC-Generatoren, wovon einer abstimmbar ist, werden gemischt und liefern eine Differenzfrequenz, die im NF-Bereich liegt. Die Frequenz der Generatoren liegt bei etwa 50 kHz, also in einem Bereich, der schon den Einsatz von HF-Spulen (Ferritantenne, Drossel) erlaubt.

Ein ausführlicheres Versuchsbeispiel

Bei dem Versuch, der hier ein wenig detaillierter vorgestellt werden soll, handelt es sich um ein Morseübungsgerät, aufgebaut mit dem Kasten EE2003. Es ist eine Anwendung aus dem Bereich "Fernmeldetechnik".

Das Prinzip des Phasenschiebers verspricht einen angenehmen, weichen Sinuston. Getastet wird in der Emitterleitung, das heißt, die Schaltung muss bei jedem Tastendruck neu anschwingen. Das könnte sich u.U. in einer Art "Jauleffekt" bemerkbar machen, vor allem bei kurzen Morsezeichen. Grund, das einmal zu untersuchen.

Die Aufbauzeichnung im Anleitungsbuch entspricht der Schablone, die auf das Experimentierpult gelegt werden kann. Zusäzlich zeigt sie die Verbindungen zu den in der Bedienungskonsole enthaltenen Komponenten.

Nachdem die zugehörige Papierschablone 2.01 herausgesucht und auf die Grundplatte gelegt wurde, muss sie an den Stellen, wo Kontaktklemmen angebracht werden sollen, gelocht werden. Dazu dient ein kleiner Stanzer, mit dem das Papier durchstoßen wird. Anschließend können die Kontaktklemmen montiert werden. Einige zusätzliche Klemmen sorgen für die Planlage der Papierschablone. Das Ganze sieht nun so aus:

Damit sind die Vorbereitungsarbeiten abgeschlossen, und die Montage der Bauteile und Verbindungsleitungen kann beginnen. Das ist eine entspannende Tätigkeit, denn man braucht sich nur nach der Schablone zu richten. Fehler sind bei einem Minimum an Sorgfalt so gut wie ausgeschlossen. Nach der Montage bietet sich folgendes Bild:

Das RC-Netzwerk zur Phasenverschiebung ist deutlich zu erkennen, fast so deutlich wie im Schaltbild. Das Schöne an solchen Versuchsaufbauten: Jede Stelle der Schaltung liegt offen und übersichtlich vor einem. Der Aufbau verführt förmlich dazu, Abgreifklemmen zu nehmen und die Schaltung mit einem Messgerät oder Oszilloskop zu untersuchen. - Im Gegensatz zur Aufbauzeichnung im Anleitungsbuch ist hier nicht zu erkennen, zu welchen Bedienungselementen die einzelnen Anschlüsse hinter der Konsole führen. Kleine Aufkleber wären sehr hilfreich.

Das Versuchsergebnis war zunächst enttäuschend. Der Ton war zwar sauber und lag dem Gehör nach irgendwo zwischen 600 und 1000 Hz. Aber er war eindeutig zu leise (gerade noch zu vernehmen) und wurde auch durch Hochdrehen des Potis nur unwesentlich lauter. Ein kritischer Blick ins Schaltbild machte dann deutlich, dass der Versuch nur mit Kopfhörer vernünftig funktionieren kann. Hier liegt also eine kleine Macke im Schaltbild sowie in der Aufbauzeichnung vor.

Trotzdem halte ich es für sinnvoll, gerade diesen Versuch als Beispiel anzuführen. Die gradlinige, schlichte Schaltungstechnik ist nämlich typisch für die Philips-Versuche. Außerdem wird hier erkennbar, wie übersichtlich ein Versuchsaufbau sein kann. Aber noch in anderer Weise ist der Versuch typisch. Er zeigt nämlich, dass die Schablonen bei allem Komfort, den sie bieten, auch ihre Nachteile haben. Sie verführen zum gedankenlosen Nachbau. Wenn es aus irgendeinem Grunde hakt, gibt es Probleme.

Einige Detailaufnahmen vom Versuchsaufbau:

Zur Stromversorgung werden üblicherweise zwei Flachbatterien eingesetzt, die entweder auf der Grundplatte befestigt oder einfach neben den Versuchsaufbau gestellt werden.

Nahaufnahme einer schon ziemlich vollgestopften Kontaktklemme. Damit sie die Anschlussdrähte aus verschiedenen Richtungen aufnehmen kann, wird die Haarnadelfeder am besten von vornherein auf 45° gedreht.

Hier kann man erkennen, wie ein Transistor angeschlossen wird. Die Haarnadelfedern müssen sorgfältig ausgerichtet werden, damit sie durch die Schlitze passen. Vielpolige Bausteine (z.B. IC-Fassungen), die bei späteren Kästen hinzukamen, wurden nur an den vier Ecken auf die gezeigte Art befestigt. Die Zwischenkontakte wurden auf ähnliche Weise hergestellt wie bei den Batterien, also mit kleinen Spiralfedern, die über die Kontaktstifte gestülpt wurden.

Abschließend ein Blick auf das gesamte Gerät:

Die Grenzen des Möglichen

Es ist immer eine spannende Frage, was man aus einem Experimentiersystem herausholen kann. Leider verfüge ich nicht über den Oszilloskop-Zusatzkasten, der mit seiner Bildröhreneinheit sicher imponierende Versuche erlaubt. Aber auch die Kastenserie EE2003-06 bietet einiges, so z.B. den folgenden Kurzwellensuper:

Im Gegensatz zu den Superschaltungen anderer Experimentiersysteme wird hier ein Doppel-Drehkondensator benutzt. Zur Synchronisation müssen deshalb die beiden Kreise wechselseitig getrimmt werden.

Die zugehörige Aufbauzeichnung lässt erkennen, dass nun das Experimentierpult voll ausgenutzt wird. Bei einer solchen "Packungsdichte" bleibt kein Spielraum mehr für einen übersichtlichen Versuchsaufbau.

zurück