Fischertechnik Elektronik

Fischertechnik nimmt im Rahmen der elektronischen Experimentierkästen eine Sonderstellung ein, und zwar insofern, als die Elektronik strikt in den Dienst der Mechanik gestellt wird. Die Vermittlung elektronischer Grundkenntnisse steht im Hintergrund; während das Zusammenwirken von Mechanik und Elektronik in vielen Versuchen anschaulich erfahren wird. Im Prinzip kein schlechter didaktischer Ansatz, denn Anwendungbezüge erhöhen die Motivation und machen den Zweck der Elektronik deutlich. So überrascht es nicht, dass es bei den Versuchen vielfach um Steuerungs- und Regelungsvorgänge geht, mit fast allen physikalischen Größen, die bei diesen Mechanismen eine Rolle spielen (Temperatur, Licht, Schall, Weg usw.).

Obwohl der Ursprung der Fischertechnik im mechanischen Bereich zu finden ist, gliedern sich elektromechanische und elektronische Elemente nahtlos in das System ein und bilden eine recht leistungsfähige Einheit. Wie leistungsfähig das System ist, demonstrieren die Robotermodelle in Verbindung mit Computer-Interfaces, die auch heute noch eine exklusive Anhängerschaft haben - im Gegensatz zur "einfachen elektronischen Fischertechnik", wie sie in den 80er-Jahren verbreitet war. Wie bei den meisten anderen Experimentiersystemen kam es zu einem Einbruch des Marktes. Dass Fischertechnik ein ziemlich kostspieliges System ist und an den Experimentierenden hohe Anforderungen stellt, machte die Situation nicht einfacher.

Bei der Vielfalt der Grundkästen, Ergänzungskästen und Materialpackungen will ich gar nicht erst versuchen, so etwas wie einen Überblick herzustellen. Ich selbst hatte Gelegenheit, mit den Kästen der Reihe "Fischertechnik Hobby" zu experimentieren, wobei mich natürlich der Kasten "Hobby Elektronik" am meisten interessierte. Er enthielt vier elektronische Bausteine in Modulform:

1. Gleichrichter-Baustein (passend zum Fischertechnik-Trafo)
2. Relais-Baustein
3. Mikrofon-Lautsprecher-Baustein
4. Grundbaustein

Im Kasten waren zudem noch einige elektronische Bauteile wie NTC oder Fotowiderstand enthalten. Außerdem war es möglich, weitere Module einzeln hinzuzukaufen, z.B. Flipflops oder Gatterbausteine.

Das wichtigste Modul war zweifellos der Grundbaustein, der sich bei genauerem Hinschauen als Operationsverstärker mit nachgeschaltetem Inverter entpuppte.

Das Grundmodul: Wie die anderen Module auch wirkt es mit der Alufolie oben sehr ästhetisch. Die Beschriftung dagegen ist nicht besonders übersichlich.

Die Seitenflächen enthalten die üblichen Nuten, mit denen die Elemente von Fischertechnik verbunden werden.

Drei zusammengesteckte Module. Die roten Kämme zwischen den Modulen verbinden sie elektrisch, doch handelt es sich dabei nur um die Stromversorgung, die durchgeschleift wird.

2,6-mm-Technik, allerdings mit hauseigenen, viereckigen Steckern.

Gut verarbeitet: der NTC und der Fotowiderstand (LDR 03).

Das folgende Bild aus dem Anleitungsbuch zeigt ein Modell, das "Schaltabstand" genannt wird. Der Motor bewegt den Schlitten mit dem Fotowiderstand so weit vom Lämpchen weg, bis die Beleuchtungsstärke auf dem LDR schwach genug ist, um das Relais abfallen zu lassen.

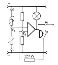
Dazu die Beschaltung des Grundbausteins. Wie in den meisten Fällen wird der Operationsverstärker als Komparator eingesetzt. Die Vielseitigkeit des Bausteins wird dadurch erreicht, dass am Eingang externe Widerstände (LDR, NTC) angeschlossen werden können.

Die nächste Abbildung entstammt einem zusätzlichen Anleitungsbuch. Auch hier wird ein Schlitten bewegt, wobei jedoch der Motor über das Relais mit wechselnder Polarität angesteuert wird. Der Abstand zwischen Glühlämpchen und LDR stellt sich auf eine bestimmte Beleuchtungsstärke am LDR ein. Eine einfache, aber doch voll funktionierende Regelschaltung. Störgrößen (Raumbeleuchtung, Abdunkelung mit dem Finger) gehen in den Regelkreis ein und bewirken ein Nachstellen des Schlittens.


Einen interessanten Beitrag in Form einiger Bilder erhielt ich von Oliver Scharf, dem ich an dieser Stelle herzlich danken möchte.

Die Module sind wahrscheinlich älter als die oben gezeigten. Genauere Angaben über den Zeitpunkt, wann dieser Kasten herausgegeben wurde, konnte mir Oliver leider nicht machten.

Bild unten: Anwendungsbezug - keine abstrakte Funktionsschaltung, sondern Einbindung in Technik. Mit Fischertechnik wird nicht nur experimentiert, sondern auch gespielt, wie dieses Lichtschrankenmodell zeigt.

Das folgende Bild zeigt ein interessantes Detail: Die Verbindungen werden mit Hilfe von Lötstiften und Lötschuhen hergestellt, dieselbe Technik, die ich in meinen Selbstbausystemen zum Teil auch anwende. Doch bei Fischertechnik machen die Strippen keinen guten Eindruck. Runde Lötschuhe, mit Schrumpfschlauch stabilisiert, wären besser gewesen.

Typisches Funktionsmodell. Die beiden Dauermagnete auf der Scheibe induzieren in der darüber angebrachten Spule Impulse, die in der Elektronik weiterverarbeitet werden und dem Motor entsprechend bremsen. Vermutlich werden die Impulse einem Integrator zugeleitet.

Schließlich noch ein Ausschnitt aus dem Anleitungsbuch. In dieser Form wurden die Versuche beschrieben. Die elektronischen Vorgänge in der Schaltung kommen nicht oder nur äußerst oberflächlich zur Sprache. (Tut mir leid, dass ich das Bild nicht größer darstellen kann, aber ehrlich gesagt, so wichtig ist das Geschriebene nicht)