Versuchsbeispiele

Wenn man einen Versuch aufbaut, dann erwartet man etwas: neue Erkenntnisse, die Antwort auf irgendeine Frage oder ganz einfach eine interessante Beschäftigung mit der Versuchsschaltung. Letzteres ist typisch vor allem für Radioversuche und macht diese so ergiebig. Leider konnte ich keine Radioschaltung mit dem Busch-Kasten aufbauen, weil die dazu erforderlichen Bauteile inzwischen in meinen eigenen Experimentiergeräten verbaut wurden.

So blättere ich denn im Anleitungsbuch und suchte nach einer anderen "fragwürdigen" Schaltung. Fast alle Versuche waren so gestaltet, dass ein Blick in das Schaltbild reichte, um eine genaue Vorstellung von dem Ergebnis zu erhalten. Schief gehen konnte da auch nicht viel. Darlington-Schaltung als Durchgangsprüfer - da müssen die Tranistoren schon kaputt sein, um einen Misserfolg zu erreichen. Oder RS-Flipflop in verschiedenen Varianten. Sicher, eine ungemein nützliche Schaltung, aber links-drücken-an, rechts-drücken-aus, auch das konnte mich nicht dazu bewegen, die Schaltung auf der Buschplatte zusammenzustöpseln.

Schließlich fand ich doch noch einen Versuch, die eine Frage aufwarf und deshalb den Aufbau lohnenswert machte. Die Frage war ganz einfach: Kann das so überhaupt funktionieren? Zunächst ein Blick ins Schaltbild:

Der Titel des Versuchs "Ferngesteuertes Elektronik-Relais" ist nichtssagend. Erst die Beschreibung macht klar, worum es geht: Die LED soll mittels einer Taste abwechselnd ein- und ausgeschaltet werden.

Die zugehörige Aufbauzeichnung. Dafür, dass es sich um ein offenes Verdrahtungssystem handelt, ist die Zeichnung sehr übersichtlich.

So sieht der konkrete Versuchsaufbau aus. Die Vorgaben der Zeichnung wurden exakt eingehalten.

Ergebnis: Es war so ähnlich wie ich erwartet hatte. Der Versuch funktionierte irgendwie, aber nicht ganz sauber. Die LED glimmte auch im ausgeschalteten Zustand noch etwas, und manchmal musste ich mehrfach die Taste drücken, um die LED auszuschalten. Eine Schaltung, die wahrscheinlich nur bei sehr genauer Dimensionierung einigermaßen zuverlässig funktioniert.

Weiter will ich die Schaltung hier nicht diskutieren. Zur Abrundung gebe ich die Funktionsbeschreibung wieder (aus Gründen der besseren Lesbarkeit wurde der dreispaltige Text auf zwei Spalten umgebrochen):

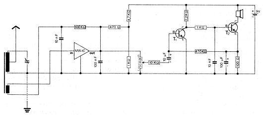
Vom zweiten Versuchsbeispiel soll nur das Schaltbild angegeben werden:

Mittelwellenradio mit dem IC ZN414. Der Versuch kontrastiert zu den eher schlichten Schaltungen davor. Funktion und Aufbau des ICs wurde im Anleitungsbuch vorher erklärt. Einfachere Radioschaltungen, etwa Diodenempfänger, werden nicht angeboten.

Zurück